隔離式安全柵安裝在非危險場所,它分為操作端安全柵及檢測端安全柵,根據實際需要而選擇。

隔離式安全柵技術指標
1、供電電壓:20-35VDC
2、配電電壓:普通型12~28.5VDC,HART通過型:12~28.5VDC
3、隔離:輸入、輸出電源之間250V(有效電阻)
4、端子:適合直徑不超過2.5mm2的多束或單股電纜
5、環境溫度限制:-20~+70℃運行,-40~80℃儲存
6、濕度:5%~95%相對濕度
7、負載阻抗:不小于500Ω
8、響應時間:<2ms(0-90%)
9、電源功耗:每通道不大于1.5W
10、基本誤差:0.1%
11、隔離式安全柵符合BASEEFA、CSA、FM及TC124SC2的標準,以及其他一些認證標準
隔離式安全柵檢修內容及質量標準
1)需檢查輸入輸出線路是否完好、供電線路是否完好。線路有無斷路、短路。接線及端子是否松動,需進行緊固檢查。
2)線路標號是否齊全、清晰。
3)檢查冗余供電的穩壓電源輸出電壓數值及偏差是否在指標要求范圍內。
4)隔離式安全柵接地絕緣是否完好。
1、隔離式安全柵檢查校驗所用的標準儀器
1)穩壓電源(24VDC)1臺
2)精密電流表1臺
3)標準電阻250Ω和100Ω各1只
4)標準可調電阻箱1臺
5)萬用表(6位半)1臺
6)毫伏信號發生器1臺
2、開關量輸入隔離安全柵檢查方法(以昌暉儀表YR9110A-EX為例)
1)按下圖接線。


2)將端子10、11兩端引出接線,當兩接線開路時,萬用表測量7、8端之間應開路;當兩接線短路,萬用表測量7、8端之間電阻應為零。
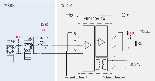
3、模擬量輸入式隔離柵檢查方法(以YR9120A-EX檢測端隔離式安全柵為例)
1)按下圖接線。


2)調整電阻箱(W),使直流毫安表A1分別為4mA、12mA、20mA,其相應的標準電流值輸出應分別為4mA、12mA、20mA,記錄直流毫安表A2(mA)的實際數值。
3)將直流毫安表A1指示4mA、12mA、20mA,所對應的輸出直流毫安表A2的實際值分別與標準電流值4mA、12mA、20mA進行比較,計算誤差應小于±20μA。
4、模擬量輸出式隔離柵檢查方法(以YR9130A-EX操作端隔離安全柵為例)
1)按下圖接線。


2)調整電阻箱(W),使輸入端直流毫安表A2分別指示為4mA、12mA、20mA,其對應的輸入標準電流值應分別為4mA、12mA、20mA,記錄輸出直流毫安表A1的實際讀數。
3)將輸入端直流毫安表A2指示4mA、12mA、20mA,所對應的輸出直流毫安表A1的實際值分別與標準值4mA、12mA、20mA進行比較,計算誤差應小于±20HA。
5、本安型溫度變送器檢查方法(以YR9031A-EX-GN-N熱電偶溫度安全柵為例)
1)按下圖接線并完成對應溫度量程組態。


2)調整毫伏信號發生器(對熱電偶輸入),根據信號范圍線性劃分五等分輸入mV信號,其直流毫安表A的實際讀數分別與標準電流4mA、8mA、12mA、16mA、20mA進行比較,計算誤差應在±0.1%以內。
3)調整可變電阻箱(對熱電阻輸入),根據信號范圍線性劃分五等分輸入電阻信號,其直流毫安表A的實際讀數分別與標準電流4mA、8mA、12mA、16mA、20mA進行比較,計算誤差應小于±0.1%。
隔離式安全柵維護與故障處理
1、日常維護
日常巡檢時,要注意隔離式安全柵各個指示燈的狀態是否正常,一旦異常,應給予相應的處理。
隔離式安全柵故障后不得維修后使用。
2、注意事項
1)隔離式安全柵安裝在安全區域。
2)隔離式安全柵采用“夾緊式”DIN導軌安裝或底板式安裝。
3)對隔離式安全柵進行單獨通電調試時,必須注意隔離安式全柵的型號、電源極性、電壓等級及外殼接線端子上的標號,防止接線錯誤。嚴禁使用兆歐表直接在含安全柵的回路中測試信號線路,防止擊穿。
4)務必注意對本安回路導線的限制條件和本安回路配線方法。
相關閱讀
◆安全柵選用教程
◆通過四張圖弄懂安全柵接地
◆隔離式安全柵中的HART通訊應用
