

操作端隔離安全柵訂貨型號
①YR9130A-EX-N
一入一出(安全側1路4-20mA輸入,危險側1路4-20mA輸出,DC24V獨立供電)
②YR9132A-EX-N
二入二出(安全側2路4-20mA輸入,危險側2路4-20mA輸出,DC24V獨立供電)
③YR9130A-EX-LP
一入一出(安全側1路4-20mA輸入,危險側1路4-20mA輸出,帶輸入浪涌保護,DC24V獨立供電)
④YR9132A-EX-LP
二入二出(安全側2路4-20mA輸入,危險側2路4-20mA輸出,帶輸入浪涌保護,DC24V獨立供電)
特別說明:HART操作端隔離安全柵適用于智能HART閥門定位器、電/氣轉換器,從安全側把4-20mA電流信號傳輸到危險側,驅動現場的執行機構工作。同時HART數字信號在安全側和危險側之間雙向通訊,可以用HART手操器在安全側和危險側對HART閥門定位器、電/氣轉換器進行操作。但必須要注意:在危險區和安全區不能同時使用HHC(HART手操器);在危險區使用的HHC(HART手操器)必須經過防爆認證。
操作端隔離安全柵技術指標
◆適用現場及設備:0區、1區、2區,ⅡA、ⅡB、ⅡC危險區,適用于閥門定位器、電/氣轉換器
◆操作端隔離安全柵精度:0.1%F.S
◆工作電源:20V-35VDC
◆功耗:一進一出約1W;二進二出約2W
◆安全側輸入:4-20mA,HART數字信號
◆危險側輸出:4-20mA,HART數字信號
◆允許輸出負載能力:0-650Ω
◆浪涌保護:浪涌保護功能為選件,型號最后有LP標識;最高連續工作電壓30VDC(線對地、線對線);額定放電電流In:5kA(線對地、線對線);最大放電電流Imax:10kA(線對地)
◆絕緣強度:本安端/非本安端間2500VAC/1分鐘;非本安端間1000VAC/1分鐘
◆溫度漂移:0.005%F.S/℃
◆工作溫度:-20℃~+60℃
◆相對濕度:35%~70%RH
◆貯存溫度:-40℃~+80℃
◆外形尺寸:一入一出厚13.3×寬113×高121mm;二入二出厚18.3×寬113×高121mm
◆產品結構:操作端隔離安全柵為35mm導軌卡裝式,PC+ABS外殼材料,插拔式端子
◆整機重量:150g
◆產品特點:操作端隔離安全柵接危險區域閥門定位器、電/氣轉換器,寬范圍供電,符合EMC標準
◆安裝場所:操作端隔離安全柵安裝環境周圍空氣中應不含對鉻、鎳、銀鍍層起腐蝕作用的介質
◆質保:60個月
操作端隔離安全柵防爆認證參數
認證單位:國家防爆電氣產品質量監督檢驗中心
防爆標志:[Exia Ga]ⅡC
認證參數 :YR9130A-EX型一進一出端子(7-8) :YR9132A-EX型二進二出端子(10-11、13-14):
Um=250VAC/DC,Uo=28VDC,Io=93mA,Po=651mW,Co=0.06uF,Lo=2.4mH
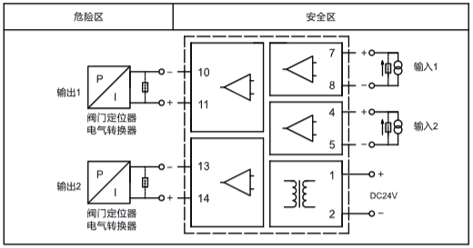
操作端隔離安全柵接線圖
①YR9130A-EX一入一出操作端隔離安全柵接線圖

②YR9132A-EX-N二入二出操作端隔離安全柵接線圖

注意:在危險區和安全區不能同時使用HHC(HART手操器);在危險區使用的HHC(HART手操器)必須經過防爆認證。
