安裝保護套管THERMOWELL是套在測溫元件外面或預先安裝與設備之上,抵御被測介質的壓力和腐蝕的溫度傳感器安裝件,俗稱溫度計套管,THERMOWELL大多和鎧裝熱電偶、鎧裝熱電阻、雙金屬溫度計配套使用。

◆ 作壓力:焊接型溫度計套管THERMOWELL: -0.1~10MPa;整體鉆孔型溫度計套管THERMOWELL: -0.1~30MPa;溫度計套管THERMOWELL隨所選材料種類和使用溫度不同,應該將公稱壓力合理地降額后作為使用的工作壓力。
◆ 水壓試驗:THERMOWELL試驗壓力等級為保護管耐壓等級的1.5倍。
◆ 介質流速:熱安裝套管THERMOWELL使用在流速不超過80m/s的介質中。

常用溫度計套管有法蘭式、螺紋式和焊接式三種,下面昌暉儀表分別介紹這三類溫度計套管的選型及產品圖樣:
法蘭式溫度計套管THERMOWELL選型表
①②③④-⑤/⑥-⑦/⑧/⑨/⑩/?-?/?/?-?/?-??-?/?
①法蘭式溫度計套管(THERMOWELL)
[TH10]:過程連接為固定法蘭+儀表接口為內螺紋,默認
[TH11]:過程連接為固定法蘭+儀表接口為外螺紋
[TH12]:過程連接為活動法蘭+儀表接口為內螺紋
[TH13]:過程連接為活動法蘭+儀表接口為外螺紋
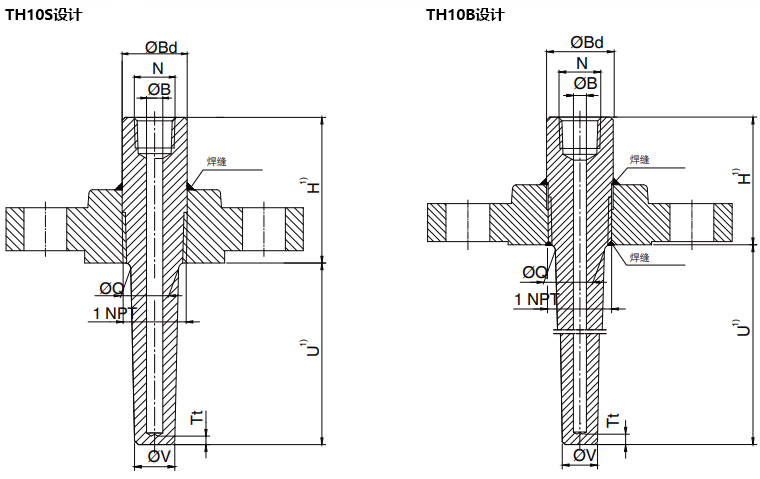
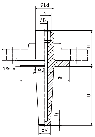
②套管頸部設計(見產品示意圖)

[N]:活動法蘭與套管不焊接
[P]:法蘭與套管之間為雙面半滲透焊接,默認
[F]:法蘭與套管之間為全滲透焊接
[S]:法蘭與套管之間為螺紋焊接(1NPT螺紋+單面焊接)
[B]:法蘭與套管之間為螺紋焊接(1NPT螺紋+雙面焊接)
③套管形式
[A]:整體鉆孔錐形管,默認
[B]:整體鉆孔直形管
[C]:整體鉆孔縮徑式直形管
[D]:鋼管焊接直形管
[X]:特殊結構設計
④套管內孔結構形式
[N]:直形內孔,默認
[R]:直形變徑內孔
⑤套管材料
[A]:304SS
[B]:316L,默認
[C]:不銹鋼1.4571
[D]:不銹鋼1.4404
[E]:C276合金
[F]:Incolo600
[G]:GH3039
[H]:MONEL400
[X]:特殊材質,協議訂貨
⑥套管涂層要求
[N]:無涂層,默認
[M]:堆焊或噴涂耐磨層(耐磨)
[F]:套管及法蘭密封面整體燒結聚四氟乙烯(防腐,套管材質選316L即可)
[X]:特殊要求,協議訂貨
⑦法蘭材質
[A]:304SS
[B]:316L,默認
[C]:不銹鋼1.4571
[D]:不銹鋼1.4404
[E]:C276合金
[F]:Incolo600
[G]:GH3039
[H]:MONEL 400
[X]:特殊材質,協議訂貨
⑧法蘭標準
[AM]:ASME B16.5(2013),默認
[EN]:EN1092-1(2013)
[HA]:HG20615(2009英制)
[HE]:HG20592(2009公制)
⑨法蘭公稱直徑/公稱壓力
[公稱直徑選型代碼]/[公稱壓力選型代碼]:詳見下面說明
-------ASME法蘭公稱直徑選型代碼
[1"]:1inch
[1 1/2"]:1.5inch
[2"]:2inch
-------ASME法蘭公稱壓力選型代碼
[CL150]:公稱壓力2.0MPa
[CL300]:公稱壓力5.0MPa
[CL600]:公稱壓力11.0MPa
[CL900]:公稱壓力15.0MPa
[CL1500]:公稱壓力26.0MPa
-------EN和DIN法蘭公稱直徑選型代碼
[DN25]:DN25
[DN40]:DN40
[DN50]:DN50
[DN80]:DN80
-------EN和DIN法蘭公稱壓力選型代碼
[PN16]:公稱壓力1.6MPa
[PN40]:公稱壓力4.0MPa
[PN64]:公稱壓力6.4MPa
[PN100]:公稱壓力10MPa
⑩法蘭密封面
[RF]:突面RF,默認
[FF]:全平面FF
[RTJ]:RTJ
[B]:EN From B1
?儀表接口(圖例中的N)
[A]:1/2NPT螺紋,默認
[B]:M16×1.5螺紋
[C]:M20×1.5螺紋
[D]:M27×2螺紋
[E]:G1/2螺紋
[X]:其他
?頸部高度(連接長度,圖例中的H)
[57]:57mm(PN<CL900或 PN10~PN100,詳見參數表1),默認
[83]:83mm(PN≥CL900,詳見參數表1)
[**]:其他連接可根據要求提供


?根部直徑(圖例中的φQ)
[25]:25mm(詳見參數表1),默認
[22]:22mm(詳見參數表)
[**]:其他連接可根據要求提供
?端部直徑(圖例中的φV)
[19]:25mm(詳見參數表1),默認
[16]:22mm(詳見參數表)
[**]:其他連接可根據要求提供
?內孔直徑(圖例中的φB)
-------直形內孔
[6.6]:內孔6.6mm,用于6.35mm及以下直徑的探頭,默認
[8.5]:內孔8.5mm,用于8mm及以下直徑的探頭
[6.2]:內孔6.2mm[0.244in]
[7.0]:內孔7.0mm[0.276in]
[8.2]:內孔8.2mm[0.323in]
[8.5]:內孔8.5mm[0.355in]
[9.0]:內孔9.0mm[0.354in]
[9.8]:內孔9.8mm[0.385in]
[10.2]:內孔10.2mm [0.402in]
[12.2]:內孔12.2mm [0.480in]
[**]:其他連接可根據要求提供
-------直形變徑內孔
[**]/[**]/[**]/[**]:大內孔直徑/小內孔直徑/大內孔深度/小內孔深度
?頂部厚度mm(圖例中的Tt)
[6.4]:頂部厚度6.4mm,默認
?插入長度mm(圖例中的U)
[**]:插入長度mm,13~1575mm[0.5...62in]
?內孔深度Us(mm)
[**]:Us=H+U-7mm
?材質證書
[N]:無證書,默認
[M]:原材料材質證書
?測試報告要求
[N]:無證書,默認
[PMI]:PMI報告
[LPI]:LPI報告
[XR]:X-ray射線探傷報告
[IHT]:內部水壓測試報告
[EHT]:外部水壓測試報告
螺紋式溫度計套管選型表
焊接式溫度計套管選型表
溫度計套管THERMOWELL型號舉例(附結構圖)
1、整體鉆孔錐形固定法蘭式溫度計套管結構圖



2、固定法蘭鋼管焊接直形套管

3、保護管噴涂固定法蘭鋼管焊接直形套管

4、固定法蘭整體鉆孔直形套管

5、固定法蘭整體鉆孔直形套管
6、活動法蘭整體鉆孔直形套管/TH12NBN
7、活動法蘭整體鉆孔錐形套管/TH12NAN

8、石化廠煉油提升管抗沖刷專用套管/型號:TH10PXN
9、固定法蘭整體鉆孔縮徑式直形套/型號:TH10PCN

溫度傳感器保護套管振動頻率及流速計算
安裝于管道中的溫度傳感器保護管會受到介質液體或氣體及雙相流的流動沖擊,對套管施加了壓力,計算所選的溫度傳感器保護管是否有足夠強度去耐受溫度、壓力、流速和振動的使用場合,所以在設計時要計算溫度傳感器保護管振動頻率、壓縮應力強度及折彎強度。當用足夠強度的熱套管時,會使傳感元件在測量中偏差精度影響最小,使溫度計套管滿足預期的用途。
1、影響溫度計套管使用條件最大的幾個數據:
①插入深度mm;②套管直徑mm;③介質流速m/s;④壓力MPa。
2、計算溫度計套管振動頻率及強度需要提供技術數據:
①套管直徑mm;
②套管孔徑mm;
③插入深度mm;
④管嘴高度mm;
⑤套管材質;
⑥設計溫度℃;
⑦介質流速m/s;
⑧介質粘度Ns/m2;
⑨介質密度kg/m3;
⑩設計壓力MPa
這方面的計算在《ASME PTC 19.3 TW-2016中溫度計套管強度計算及選用》文章中有詳細介紹
3、溫度傳感器保護管振動頻率和強度參照ASME PTC 19.3 TW-2016標準要點。
4、溫度傳感器保護管經振動頻率及強度計算后不符合使用條件解決方案。
①縮短設計插深。如果頭管的長度和插深按規格決定,縮短插深后會使測量精度低下,所以要考慮下面的方案。
②用大直徑的頭管。比如一般用一個半英寸的套管,如果不滿足套管共振頻率比的話,改用2英寸的頭管。
③溫度計套管外徑加支撐定位環。定位環支撐管嘴外徑,定位環要在管嘴外部兩邊提供≤0.15mm氣隙才有效,支撐定位環起減振作用。定位環內徑要求為設計管嘴外徑的+0-0.15,高度尺寸為25mm。
