SWP-202DL雙路配電器給兩個二線制變送器提供電源,同時接收每個變送器的4-20mA信號并隔離轉為對應的一路4-20mA或1-5V輸出。
SWP-202DL雙路配電器特點
1、SWP-202DL雙路隔離配使用交直流兩種電源,變送輸出與主機隔離,具有1-5VDC或4-20mADC輸出信號的選擇功能并配置變送器電源開關
2、有兩路信號輸入;每一路輸入信號對應一路1-5V或4-20mA輸出。

SWP-202DL雙路配電器技術參數
1、輸入信號:兩路兩線制變送器輸出的4-20mA
2、參數設定:SWP-202DL由SWP20PCA編程器進行設定;如果配顯示模塊,可以直接進行參數設定和校準
3、響應時間:mV輸入時約500ms(時間常數);V、mA輸入時約100ms(時間常數)
4、共模抑制比:50Hz時,大于120dB
5、精度:0.5%FS
6、輸出:SWP-202DL兩路4-20mA(每一個變送器對應一路4-20mA輸出
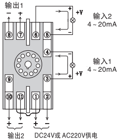
SWP-202DL雙路配電器接線圖

1、儀表電源:1#和2#端子(儀表電源為DC24V時,1#端子接DC24V+,2#端子接DC24V-)。電源務必準確接線,否則將燒毀儀表;
2、兩線制變送器信號輸入:第一回路:3#和4#端子。3#端子接變送器“+”,4#端子接變送器“-”。第二回路:5#和6#端子。6#端子接變送器“+”,5#端子接變送器“-”;
3、第一路輸出:7#和8#端子。7#端子接第一路輸出“+”,8#端子接第一路輸出“-”。
4、第二路輸出:10#和11#端子。10#端子接第二路輸出“+”,11#端子接第二路輸出“-”
SWP-202DL雙路配電器選型表
SWP-20①②-③/④-⑤⑥-⑦-⑧
①輸入通道數量
[2]:雙路信號輸入
②模塊功能
[DL]:配電器功能
③第一路輸入信號
[12]:二線制變送器的4-20mA
④第一路輸入信號
[12]:線制變送器的4-20mA
⑤第一路輸出方式
[1]:1-5V
[2]:4-20mA
⑥第二路輸出方式
[1]:第二路輸出為1-5V
[2]:第二路輸出為4-20mA
⑦輸出兩路隔離
[A]:輸出兩路隔離
⑧供電方式
[省略]:AC220V供電
[W]:DC24V供電
[T]:AC90-260V(開關電源)
⑧顯示
[省略]:無顯示
[D]:顯示模塊
型號舉例
SWP-202DL-12/12-22-A-W
SWP-202DL-12/12-22-A
