RS485集線器HUB將1路RS485輸入分割為2~4路RS485高可靠性的獨立輸出,提供復雜電磁場環境下的星型RS485總線連接,用戶可以輕易改善RS485總線結構,分割網段,提高通信可靠性。RS485集線器HUB傳輸速率達115.2kbps,RS485接口端采用光電隔離技術,防止上雷擊浪涌引入轉換器及設備,內置的光電隔離器及600W浪涌保護電路,能夠提供2500V的隔離電壓,當雷擊或者設備故障產生時,出現問題的網段將被隔離,可以有效地抑制閃電(Lighting)和ESD,同時可以有效的防止雷擊和共地干擾,以確保其他網段的正常工作。這一性能大大提高了現有RS485網絡的可靠性,有效縮短了網絡的維護時間。供電采用外接DC24V電源供電,安全可靠,可應用于戶外工程。

在RS485工作模式,RS485集線器HUB采用的判別電路能夠自動感知數據流方向,并且自動的切換使能控制電路,輕松解決RS485收發轉換時延問題;RS485接口傳輸距離大于1200米、性能穩定。RS485集線器是一款高可靠性且價格適宜的數據接口轉換產品,合理的利用YR-9000HUB可以助您設計出高可靠的RS485系統。
比如在不間斷運行的高速公路、室外電力鐵塔以及無人值守基站等領域的視頻監控系統,在視頻監控系統中RS485集線器HUB不可或缺且通訊距離遠,負載能力強,傳輸穩定,助力于降低項目成本,又提高工作效率。
RS485集線器技術指標
1、輸入信號:1路符合EIA/TIA標準的RS485信號
2、輸出信號:符合EIA/TIA標準的RS485信號,最多4路輸出
3、工作方式:異步半雙工
4、傳輸速率:300bps-115.2kbps
5、傳輸距離:0-1200m(115.2Kbps-300bps)
6、接口保護:每線600W雷擊浪涌保護
7、絕緣強度:1500VAC/1分鐘
8、絕緣電阻:>100MΩ(500VDC)
9、電磁兼容性:符合GB/T18268工業設備應用要求(等同IEC61326-1)
10、工作溫度:-25℃~+85℃
11、工作濕度:<90%RH(無凝結水)
12、電源:24VDC±10%
13、功耗:<1.5W
14、外殼材料:ABS阻燃
15、重量:約200克
16、外型尺寸:18.3×113×121mm(厚×寬×高)
17、質保:3年
常用RS485集線器型號舉例
YR-9000HUB-1 一路RS485輸入,一路RS485輸出,DC24V供電
YR-9000HUB-2 一路RS485輸入,二路RS485輸出,DC24V供電
YR-9000HUB-3 一路RS485輸入,三路RS485輸出,DC24V供電
YR-9000HUB-4 一路RS485輸入,四路RS485輸出,DC24V供電
RS485集線器選型表
YR-9000HUB-①
[YR-9000HUB]:RS485集線器HUB
①通道數量
[1]:輸出為一通道
[2]:輸出為二通道
[3]:輸出為三通道
[4]:輸出為四通道
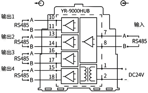
RS485集線器接線圖

