YR9034A高性能低功耗信號隔離器是昌暉推出的性能能與進口隔離器媲美的信號隔離模塊,產品持續批量出口國外。


最常用信號隔離器
①訂貨型號:YR9034A-DR-0-GGNN-N
0.1%精度,一路4-20mA輸入,兩路4-20mA輸出,DC24V供電信號隔離器(產品融普通信號隔離器和配電器功能為一體)
②訂貨型號:YR9034A-DR-0-GGNN-LP
0.1%精度,一路4-20mA輸入,兩路4-20mA輸出,DC24V供電信號隔離器,輸入帶浪涌保護
③訂貨型號:YR9034A-DR-0-GNNN-N
0.1%精度,一路4-20mA輸入,一路4-20mA輸出,DC24V供電信號隔離器(產品融普通信號隔離器和配電器功能為一體)
④訂貨型號:YR9034A-DR-3-BBNN-N
0.1%精度,一路0-10V輸入,兩路0-10V輸出,DC24V供電信號隔離器
信號隔離器特點
1、YR9034A系列隔離器面板帶電源指示燈。
2、YR9034A為微處理器自動校準,穩定性和精度更好。
3、YR9034A模塊帶電源反接保護。
4、高穩定性和可靠性,確保準確度多年不變。
5、小型化卡裝式DIN導軌結構和低功耗設計,YR9034A更適合高密度安裝。
6、信號隔離器電源-輸入-輸出-輸出與輸出通道間采用符合安全規定的CMOS的數字隔離技術(三隔離技術),與光耦合器相比,基于CMOS技術的數字隔離器提供了更高的抗高、低頻電磁干擾性能和CMTI性能,同時保持了更高的工作壽命和更高的可靠性,較光耦隔離方式而言,不會隨著時間的推移老化或降低性能,能夠實現低操作功率和高速操作,這可支持精確的時序規格。昌暉信號隔離器具備高可靠性,在強輻射環境中亦能可靠應用。
7、昌暉工廠信號隔離器使用進口名牌電子元器件,用SMT工藝生產,產品長期運行可靠性、穩定性和精確度更勝一籌。
8、YR9034A為最新外殼結構件,產品厚度13.3mm(超薄型),適合密集安裝。
9、隔離器接線端子可以帶電拔插,方便使用單位現場安裝及調試。隔離器接線端子可以拆卸。

YR9034A信號隔離器核心技術
1、YR9034A模塊傳承SWP7000和SWP9000系列隔離模塊所有功能和成熟核心技術優勢。
2、YR9034A模塊有輸入過流保護,具有浪涌保護功能。昌暉儀表將高端進口隔離器和安全柵才具有的保護功能移植到YR9034A智能模塊上,提高產品性價比(訂貨時需要說明,在常規出廠產品價格基礎上另適當收費)
3、YR9034A低功耗極低,有效提高產品穩定性和延長電子器件老化時間,YR9034A高性能信號隔離器尤其適用于水泥廠、電力、石化、化工等高溫、高濕度、高粉塵、強干擾和高密度安裝的工況環境中。昌暉儀表隔離器等在老撾中亞水泥廠等常年機柜40-50℃溫度、幾百臺密集安裝、高粉塵、高濕度、強電磁干擾環境中保持10年零故障運行。
4、YR9034A模塊有輸入信號開路、短路、反接和超量程報警功能,出現報警時面板報警指示燈亮。該技術目前在國外高端隔離器和安全柵上使用。
5、YR9034A在溫度漂移、長期穩定性、可靠性、抗干擾、低溫度漂移、低功耗、高隔離強度等八個方面性能指標達到或超過國外進口信號隔離器技術水平,昌暉信號隔離器品牌是靠品質、市場占有率和服務建立的!您可參閱本站技術文章。
6、YR9034A模塊為超薄外形,底座+本體結構,寬度僅13.3mm。產品外形尺寸:寬13.3×高113×深121mm。
8、YR9034A為通用型智能隔離變送器,信號隔離器和隔離配電器功能在壹臺儀表上同時實現。
9、本產品采用數字化結構,并采取環境溫度自動補償,零點和滿度自動校準等先進技術,長年保證精度在規定范圍內,使用單位不需頻繁校準。
10、高品質產品是昌暉儀表制造有限公司搞好服務的底氣和迅速提高信號隔離器品牌知名度的根本,目前YR9034A質保期五年。
YR9034A技術參數
輸入信號:輸入1路4-20mA(或其他電流、電壓信號)
輸出信號:輸出2路4-20mA(或其他電流、電壓信號)
儀表電源:DC24V±25%(電源反向保護)
配電電壓:DC24V(最大驅動電流40mA)
精度:電流、電壓、電位計信號<0.1%F.S
輸出負載:0-350Ω
電源指示:PWR:電源指示燈(綠色)
報警狀態:
◆輸入信號開路、短路、反接、超量程,即為報警狀態,紅燈閃爍報警
◆若用戶未說明,在故障狀態下,會輸出一個固定值,并可用于判斷何種故障
波紋:<10mVrms
溫度漂移:<50ppm/K的測量值/100Ω負載
溫度系數:0.0050F.S/℃
絕緣強度:輸入、輸出和電源之間AC1500V/分鐘
浪涌保護:最高連續工作電壓30VDC(線對地、線對線)
響應時間:<0.05s(0-90%)
編程:輸入輸出可編程(智能可編程型)
集中供電:底座集中供電
消耗功率:<1.5W(帶配電功能);<1.0W(不帶配電功能)
工作溫度:-25-70℃(可正常工作在高溫環境中)
濕度:<95%RH
外殼材料:新開模PC+ABS阻燃外殼結構件
底座技術指標:
◆額定電壓:DC24V;額定電流DC5A
◆最大電壓:DC30V
◆金手指之間耐壓值:DC1500V
信號隔離器外形尺寸:
◆YR9034A-DR(底座集中供電):寬13.3×高113×深121mm
◆YR9034A(老款,已逐步停產,端子供電):寬12.5×高106×深112mm
重量:
◆YR9034A-DR(底座集中供電):約160克
◆YR9034A(老款,端子供電):約130克
質保期:工業級信號隔離器60個月;軍品級信號隔離器質保8年。
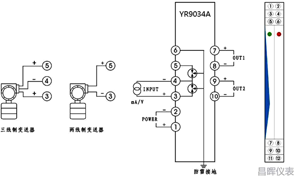
信號隔離器接線圖
YR9034A信號隔離器融合信號隔離器和配電器功能為一體,可以接收電流源4-20mA信號,也可以接收來自二線制、三線制和四線制變送器的4-20mA信號,用戶用一臺儀表接不同端子就輕松實現各種功能需求。


親,信號隔離器那么好用,您還不選用試一試?不放心?趕緊聯系客服18988073764申請樣機試用!
信號隔離器選型表
YR9034A-①-②③④⑤-⑥ (新款,底座集中供電型)
YR9034A-①-②③④⑤-⑥ (老款,端子供電型)
①輸入信號類型
[0]:4-20mA輸入/輸入阻抗≤100Ω
[1]:0-75mV/輸入阻抗≥100kΩ
[2]:0-5V,輸入阻抗≥100kΩ
[3]:0-10V,輸入阻抗≥100kΩ
[4]:0-250V,輸入阻抗≥100kΩ
[5]:0-10mA,輸入阻抗≤100Ω
[6]:0-20mA,輸入阻抗≤100Ω
[X]:用戶定制輸入
②OUT1輸出類型
[G]:直流4-20mA輸出/輸出阻抗≤350Ω
[A]:直流0-5V/輸出阻抗≥10kΩ
[B]:直流0-10V/輸出阻抗≥10kΩ
[C]:直流-10V~+10V/輸出阻抗≥10kΩ
[D]:直流1-5V/輸出阻抗≥10kΩ
[E]:直流0-10mA/輸出阻抗≤1kΩ
[F]:直流0-20mA/輸出阻抗≤350Ω
[X]:用戶定制輸出
③OUT2輸出類型
[N]:無第二路輸出
[G]:直流4-20mA輸出/輸出阻抗≤500Ω
[A]:直流0-5V/輸出阻抗≥10kΩ
[B]:直流0-10V/輸出阻抗≥10kΩ
[C]:直流-10V~+10V/輸出阻抗≥10kΩ
[D]:直流1-5V/輸出阻抗≥10kΩ
[E]:直流0-10mA/輸出阻抗≤1kΩ
[F]:直流0-20mA/輸出阻抗≤500Ω
[R]:RS485通訊接口(MODBUS RTU協議)
[X]:用戶定制輸出
④OUT3輸出類型
[N]:無第三路輸出
⑤OUT4輸出類型
[N]:無第四路輸出
⑥輸入帶浪涌保護
[N]:輸入不帶浪涌保護/標準出廠配置
[LP]:輸入帶浪涌保護/In:5kA,Imax:10kA
浪涌保護特性(帶-LP的型號)
最高連續工作電壓:30VDC
額定放電電流In:5kA(線對地、線對線)
最大放電電流Imax:10kA(線對地)
依據標準:GB/T18802.21-2004
浪涌保護接線注意事項
帶浪涌保護時,儀表10腳端子(老款產品為6腳端子)必須接地線;采用可拆分接線端子,方便使用;導線采用截面積0.5mm2-2.5mm2;導線裸露長度約8mm,由M3螺釘鎖緊
