超高溫差壓遠傳變送器

2021/9/5 7:14:33 人評論 次瀏覽 分類:單晶硅變送器  儀表地址:http://www.gzmengda.com/product/3958.html

昌暉YR-ER101超高溫差壓遠傳變送器采用瑞士原裝ROCKSENSOR壓力傳感器和電路生產,適用于在超高溫介質中直接測量被測介質的差壓、液位。其適用溫度介于450℃~600℃。超高溫差壓遠傳變送器廣泛應用于光熱熔鹽發電、石油石化、冶金電力等超高溫測量工況中。

超高溫差壓遠傳變送器

工作原理

YR-ER101超高溫差壓遠傳變送器結構上由YR-ER101系列差壓變送器和經焊接安裝的帶毛細管遠傳法蘭組成。其工作原理與YR-ER101系列差壓變送器相同(參見YR-ER101系列差壓變送器技術規格書),只是壓力傳遞路徑略有不同:超高溫差壓遠傳變送采用雙隔離傳壓技術,由超高溫測量端、常溫壓力傳導端、智能型差壓變送器組成。高溫側量端的膜片將感應到的高溫介質壓力,通過其腔體內部的耐高溫特殊充灌液體傳壓給隔離膜片,再通過毛細管內部的常溫硅油,傳壓給差壓變送器,從而實現對壓力的測量。

超高溫差壓遠傳變送器輸入

1、測量參數
差壓、液位
2、測量范圍
◆下限值:-100%URL起(連續可調)
◆上限值:+100%URL起(連續可調)
3、量程
◆表1 量程代碼與量程范圍關系對照表

量程代碼與量程范圍關系對照表

◆表2 遠傳法蘭與最小量程關系對照表


遠傳法蘭與最小量程關系對照表

超高溫差壓遠傳變送器的最小量程應為表1和表2中最小量程的較大值。調節的量程不得小于最小量程。遠傳變送器的最大量程應為變送器本體最大量程與液位法蘭額定壓力兩者的最小值。


超高溫差壓遠傳變送器輸出

1、輸出信號
◆2線制,4-20mADC+HART輸出,數字通訊,HART協議加載在4-20mA信號上
◆輸出信號極限:Imin=3.9mA,Imax=20.5mA
2、報警電流(模式可設置)
◆低報模式(最小):3.6mA
◆高報模式(最大):21mA
◆不報模式(保持):保持故障前的有效電流值
◆報警電流標準設置:高報模式

超高溫差壓遠傳變送器響應時間

放大器部件阻尼常數為0.1s;傳感器和遠傳法蘭時間常數為0.2-6s,取決于傳感器的量程、量程比,毛細管的長度,以及填充液的粘度。附加的可調時間常數為:0.1-60s

超高溫差壓遠傳變送器一般條件

1、安裝條件
超高溫差壓遠傳變送器本體可直接固定于任何位置。最佳狀態是使過程法蘭軸處于垂直狀態,位置偏差將產生可校正的零位偏移。電子表殼最大可旋轉360°,定位螺釘可將其固定于任何位置。遠傳法蘭與符合ANSI/DIN標準的配套法蘭相連接,該配套法蘭應配有軟性墊片和安裝固定的螺栓、螺母(用戶可選配安裝 螺栓、螺母)。
對于雙邊法蘭遠傳變送器,毛細管部件和遠傳法蘭應僅可能安裝在相同的環境溫度中。毛細管的最小彎曲半徑為75mm,嚴禁纏繞!
2、環境條件
①環境溫度
◆最低:10℃(低于10℃接液法蘭端需加伴熱裝置)
◆最高:85℃
◆帶LCD液晶顯示、氟橡膠密封圈時 -20~65℃;OLED顯示時-40~65℃
②儲存溫度/運輸溫度
最低:-40℃/最高:85℃
③相對濕度
0-100%
④抗沖擊
加速度:50g;持續時間:11ms
⑤抗震動
2g至500Hz
⑥電磁兼容性(EMC)
3、過程介質極限
①溫度極限
介質溫度:10-600℃
表3 填充液、工作溫度和最小工作靜壓關系表

填充液、工作溫度和最小工作靜壓關系表

注:超出以上工作溫度和靜壓關系范圍的應特別指出,可以昌暉儀表通過特殊設計來滿足要求。

②超高溫差壓遠傳變送器本體壓力極限
從3.5kPa絕對壓力至額定壓力,保護壓力可大于額定壓力的1.5倍,同時加于變送器兩側。
③遠傳法蘭額定壓力
ANSI標準:150psi~2500psi
DIN標準:PN1.6MPa~PN25MPa
④重量
◆單邊超高溫差壓遠傳變送器為DN50/2"約8.5-12kg;DN80/3"約9.5-13kg;DN4"約10.5-14kg
◆雙邊超高溫差壓遠傳變送器為DN50/2"約11.5-18.5kg,DN80/3"約13.5-20kg,DN4"約15.5-23kg
⑤單向過載極限
低壓側為超高溫差壓遠傳變送器本體額定壓力,高壓側為遠傳法蘭額定壓力,可能出現可修正的零點漂移
4、電源及負載條件
◆電源電壓為24V
◆R≤(Us-12V)/Ima×kΩ
◆其中Imax=23mA
◆最大電源電壓:36VDC
◆最小電源電壓:9VDC(低電壓版),13.5VDC(背光LCD液晶顯示、OLED顯示)
數字通訊負載范圍:250-600Ω
5、材質
◆測量膜盒:不銹鋼316L
◆膜片:不銹鋼316L、哈氏合金C、鉭
◆過程法蘭:不銹鋼304、347H
◆填充液:超高溫填充液
◆變送器外殼:鋁合金材質,外表噴涂環氧樹脂;不銹鋼外殼可選
◆外殼密封圈:丁腈橡膠(NBR)
◆銘牌:不銹鋼304
6、電氣連接
M20×1.5或NPT1/2內螺紋,標配M20×1.5尼龍電纜密封扣,接線端子適用于0.5-2.5mm2導線
7、過程連接
低壓側有NPT1/4和UNF7/16"內螺紋。變送器高壓側的液位法蘭符合ANSI標準或DIN標準??芍苯影惭b,參照表5
8、外殼防護等級
IP67

超高溫差壓遠傳變送器外形尺寸
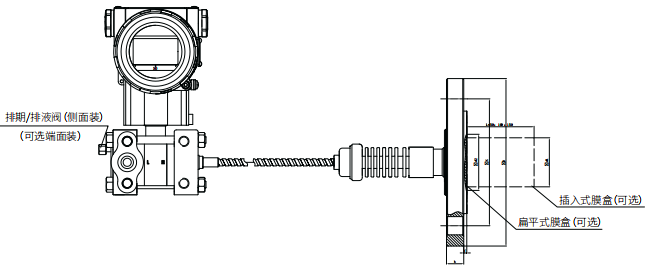
1、基本型雙邊差壓遠傳密封裝置圖

基本型雙邊差壓遠傳密封裝置圖

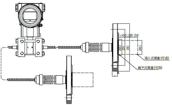
2、基本型單邊差壓遠傳密封裝置圖




注①:單邊基本型差壓遠傳密封裝置可以安裝在變送器本體的高壓側,也可以安裝在變送器的低壓側

②:單邊或雙邊基本型差壓遠傳密封裝置的變送器本體安裝方式同YR-ER101系列差壓變送器

表5 遠傳法蘭結構尺寸表


遠傳法蘭結構尺寸表

注:用戶可選配安裝螺栓、螺母


超高溫差壓遠傳變送器電氣連接


超高溫差壓遠傳變送器電氣連接

超高溫差壓遠傳變送器型號和規格代碼表
一 臺超高溫差壓遠傳變送器型號由變送器本體選型和遠傳密封裝置選型兩部分組成,詳見下面內容:

1、差壓遠傳變送器本體選型


差壓遠傳變送器本體選型YR-ER101-①②③④⑥⑧⑨⑩??????

①精度

[B]:基本誤差±0.075%
[C]:基本誤差±0.1%

②量程

[B]:0-2kPa~6kPa(0-20~600 mmH2O)/(0-2~60mbar)
[C]:0-4kPa~40kPa(0-40~4000 mmH2O)/(0-40~400mbar)
[D]:0-2.5kPa~250kPa(0-0.25~25 mH2O)/(0-25~2500mbar)
[F]:0-30kPa~3MPa(0-3~300 mH2O)/(0-0.3~30bar)

③靜壓傳感器

[0]:無

④膜片材質/填充液

[A]:不銹鋼316L/硅油

⑤額定工作壓力

[1]:16MPa
[2]:25MPa
⑥過程連接

[RN]:1/4英寸NPT及7/16英寸UNF螺紋孔,無泄放閥
[RB]:1/4英寸NPT及7/16英寸UNF螺紋孔,泄放閥裝于法蘭后部端面
[RU]:1/4英寸NPT及7/16英寸UNF螺紋孔,泄放閥裝于法蘭側面上部
[RD]:1/4英寸NPT及7/16英寸UNF螺紋孔,泄放閥裝于法蘭側面下部
[RR]:7/16英寸UNF螺紋孔,雙法蘭遠傳

⑦接液密封材質

[N]:丁腈橡膠(NBR)

⑧特殊功能

[N]:
[F]:平方根輸出
[P]:防雷擊功能
[X]:定制功能

⑨安裝支架

[N]:無
[1]:不銹鋼
[2]:鍍鋅碳鋼

⑩過程連接附件

[N]:
[1]:1/2英寸NPT內螺紋不銹鋼橢圓形法蘭
[2]:M20×1.5外螺紋不銹鋼丁字形接頭

?顯示器選型

[N]:無顯示
[2]:LCD背光液晶顯示(-20℃)
[3]:OLED顯示(-40℃)

?防爆選項

[N]:基本型
[A]:本安型,NEPSI
[D]:隔爆型,NEPSI
[B]:本安型,ATEX
[E]:隔爆型,ATEX

?位號標牌

[N]:
[1]:位號標于銘牌內
[2]:懸掛式不銹鋼標牌

?使用說明書

[C]:中文
[E]:英文

?殼體選項

[N]:鋁合金殼體,電氣接口M20×1.5
[S] 不銹鋼316殼體,電氣接口M20×1.5

?附件可選項(-)

[V]:低電壓版
[1]:第三方校準報告(5點檢測)
[2]:第三方校準報告(9點檢測)
[M]:RS485-Modbus RTU通訊協議
[P]:Profibus PA通訊協議

2、
基本型差壓遠傳變送器遠傳密封裝置選型[注1]

遠傳密封裝置選型 ①②③④⑤⑦⑧


①基本型差壓遠傳密封裝置

[RH-]:帶毛細管正壓側
[RL-]:帶毛細管負壓側

②過程連接 標稱直徑|密封面形式|膜片/密封面材質

[B]:DN50 DIN 2501/HG20592|RF型 DN2526|哈氏合金C
[I]:DN80 DIN 2501/HG20592|RF型 DN2526|哈氏合金C
[S]:DN100 DIN 2501/HG20592|RF型 DN2526 哈氏合金C
[E]:DN2″ANSI B 16.5/HG20615|RF型 ANSI B 16.5|哈氏合金C
[L]:DN3″ANSI B 16.5/HG20615|RF型 ANSI B 16.5|哈氏合金C
[O]:DN4″ANSI B 16.5/HG20615|RF型 ANSI B 16.5|哈氏合金C

③額定壓力/壓力等級|法蘭壓力標準|法蘭材質

[1]:PN1MPa/4MPa(DN50,DN80選)|DIN 2501/HG20592|不銹鋼304
[2]:PN6.4MPa(DN50,DN80選)|DIN 2501/HG20592|不銹鋼304
[3]:PN10MPa(DN50,DN80選)|DIN 2501/HG20592|不銹鋼304
[6]:Class150(DN2",DN3"選)|ANSI B 16.5/HG20615|不銹鋼304
[7]:Class300(DN2",DN3"選)|ANSI B 16.5/HG20615|不銹鋼304
[8]:Class600(DN2",DN3"選)|ANSI B 16.5/HG20615(不包括 DN4″ANSI B 16.5)|不銹鋼304
[4]:PN1MPa/1.6MPa(DN100選)|DIN 2501/HG20592|不銹鋼304
[5]:PN2.5MPa/4MPa(DN100選)|DIN 2501/HG20592|不銹鋼304
[9]:Class150(DN4"選)|ANSI B 16.5/HG20615|不銹鋼304
[0]:Class300(DN4"選)|ANSI B 16.5/HG20615|不銹鋼304
[A]:PN1MPa/4MPa(DN50,DN80選)|DIN 2501/HG20592|不銹鋼316
[B]:PN6.4MPa(DN50,DN80選)|DIN 2501/HG20592|不銹鋼316
[C]:PN10MPa(DN50,DN80選)|DIN 2501/HG20592|不銹鋼316
[F]:Class150(DN2",DN3"選)|ANSI B 16.5/HG20615|不銹鋼316
[G]:Class300(DN2",DN3"選)|ANSI B 16.5/HG20615|不銹鋼316
[H]:Class600(DN2",DN3"選)|ANSI B 16.5/HG20615(不包括 DN4″ANSI B 16.5)|不銹鋼316
[D]:PN1MPa/1.6MPa(DN100選)|DIN 2501/HG20592|不銹鋼316
[E]:PN2.5MPa/4MPa(DN100選)|DIN 2501/HG20592|不銹鋼316
[I]:Class150(DN4"選)|ANSI B 16.5/HG20615|不銹鋼316
[J]:Class300(DN4"選)|ANSI B 16.5/HG20615|不銹鋼316

④連接形式

[F]:扁平式
[L]:插入式,接液膜片材質哈氏合金C/插入長度50mm/筒體材質不銹鋼316
[M]:插入式,接液膜片材質哈氏合金C/插入長度100mm/筒體材質不銹鋼316
[N]:插入式,接液膜片材質哈氏合金C/插入長度150mm/筒體材質不銹鋼316

⑤填充液

[U]:超高溫填充液:10-450℃(適用于350℃以上高溫工況)
[Z]:超高溫填充液:10-600℃

⑥毛細管長度/毛細管材質

[01]:1m/不銹鋼304
[02]:2m/不銹鋼304
[03]:3m/不銹鋼304
[04]:4m/不銹鋼304
[05]:5m/不銹鋼304
[06]:6m/不銹鋼304
[07]:7m/不銹鋼304
[08]:8m/不銹鋼304
[09]:9m/不銹鋼304
[10]:10m/不銹鋼304
[51]:1m/不銹鋼316
[52]:2m/不銹鋼316
[53]:3m/不銹鋼316
[54]:4m/不銹鋼316
[55]:5m/不銹鋼316
[56]:6m/不銹鋼316
[57]:7m/不銹鋼316
[58]:8m/不銹鋼316
[59]:9m/不銹鋼316
[60]:10m/不銹鋼316

⑦毛細管部件特性

[N]:無
[P]:帶PVC保護層毛細管
⑧接液法蘭膜盒面形式(可多選)

[NN]:無
[06]:防真空處理[注2](溫度≥120℃,工作壓力≤50kPa abs)
[75]:DN50/2″哈氏合金C上鍍金
[76]:DN80/3″哈氏合金C上鍍金
[77]:DN100/4″哈氏合金C上鍍金
[08]:禁油處理

[注1]在對遠傳法蘭密封裝置選型時,應先完成YR-ER101差壓變送器本體部分的選型,并在YR-ER101差壓變送器選項表中第⑥行選R遠傳選項。

[注2]當測量壓力或工作靜壓<50kPa(絕對壓力)時,應在⑧項選擇選項06,以保證性能。

超高溫差壓遠傳變送器選型舉例

例:RP1001-BC0A1RRNN1N2N1CN[注3],RH-B1FZ03NNN,RL-B1FZ03NNN
[B]:基本誤差±0.075%
[C]:量程為0-4kPa~40kPa(0-400~4000mmH2O)
[0]:無靜壓傳感器
[A]:接液部分為不銹鋼 316L膜片,填充液為硅油
[1]:額定工作壓力為16MPa
[RR]:雙遠傳法蘭測量形式
[N]:接液密封圈為丁腈橡膠(NBR)
[N]:無特殊選項
[1]:不銹鋼安裝支架
[N]:無
[2]:LCD背光液晶顯示
[N]:基本型(非防爆)
[1]:位號標于銘牌內
[C]:中文使用說明書
[N]:鋁合金殼體,電氣接口M20×1.5

[RH-]:超高溫差壓遠傳變送器高壓側接液密封裝置為遠傳法蘭

[B]:DN50(DIN 2501)法蘭口徑,RF型DN2526/密封面形式/哈氏合金C膜片
[1]:PN1MPa/4MPa(DIN 2501)法蘭等級
[F]:接液面為扁平式膜盒
[Z]:填充液超高溫填充液(10-600℃)
[03]:毛細管長度為3米
[N]:無
[NN]:接液法蘭膜盒面無特殊處理 
[RL-]:超高溫差壓遠傳變送器低壓側接液密封裝置為遠傳法蘭
[B]:DN50(DIN 2501)法蘭口徑,RF型DN2526/密封面形式/哈氏合金C膜片
[1]:PN1MPa/4MPa(DIN 2501)法蘭等級
[F]:接液面為扁平式膜盒
[Z]:填充液超高溫填充液(10-600℃)
[03]:毛細管長度為3米
[N]:無
[NN]:接液法蘭膜盒面無特殊處理
[注3]超高溫差壓遠傳變送器的最小量程應為表1和表2中最小量程的較大值。調節的量程不得小于最小量程。為了使超高溫差壓遠傳變送器性能最優,應選擇量程比<10:1。

共有訪客發表了評論 網友評論

  客戶姓名:
郵箱或QQ:
驗證碼: 看不清楚?