單相交流電源浪涌保護器分類
單相交流電源浪涌保護器有三種:適用于IT、TT、TN-C、TN-C-S電源系統的YR9000PB-40/320-1P;適用于TT、TN-C、TN-C-S電源系統的YR9000PB-40/320-1P+1;適用于TN-C、TN-C-S電源系統的YR9000PB-40/320-2P

①1P單相交流電源浪涌保護器
◆型號:YR9000PB-40/320-1P
◆YR9000PB-40/320-1P工作原理

②1P+PE單相交流電源浪涌保護器
◆型號:YR9000PB-40/320-1P+1
◆YR9000PB-40/320-1P+1工作原理

◆YR9000PB-40/320-1P+1交流電源浪涌保護器典型應用

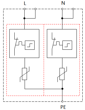
③2P單相交流電源浪涌保護器
◆YR9000PB-40/320-2P工作原理

◆YR9000PB-40/320-2P單相交流電源浪涌保護器典型應用


單相交流電源SPD技術參數
◆適用電源系統
①IT、TT、TN-C、TN-C-S電源系統應選用1P單相交流電源浪涌保護器,型號:YR9000PB-40/320-1P
②TT、TN-C、TN-C-S電源系統應選用1P+PE單相交流電源浪涌保護器,型號:YR9000PB-40/320-1P+1
③TN-C、TN-C-S電源系統應選用2P單相交流電源浪涌保護器,型號:YR9000PB-40/320-2P
◆防雷類別
①型號YR9000PB-40/320-1P產品防雷類別為MOV
②型號YR9000PB-40/320-1P+1產品防雷類別為MOV/GDT
③型號YR9000PB-40/320-2P產品防雷類別為MOV
◆額定工作電壓Un(DC)
①型號YR9000PB-40/320-1P產品額定工作電壓220V
②型號YR9000PB-40/320-1P+1產品額定工作電壓220V/220V
③型號YR9000PB-40/320-2P產品額定工作電壓220V
◆最大工作電壓Uc(DC)
①型號YR9000PB-40/320-1P產品最大工作電壓320V
②型號YR9000PB-40/320-1P+1產品最大工作電壓320V/255V
③型號YR9000PB-40/320-2P產品最大工作電壓320V
◆額定放電電流In(8/20μs)
①型號YR9000PB-40/320-1P產品額定放電電流20kA
②型號YR9000PB-40/320-1P+1產品額定放電電流20kA/20kA
③型號YR9000PB-40/320-2P產品額定放電電流20kA
◆最大放電電流Imax(8/20μs)
①型號YR9000PB-40/320-1P產品最大放電電流40kA
②型號YR9000PB-40/320-1P+1產品最大放電電流40kA/40kA
③型號YR9000PB-40/320-2P產品最大放電電流40kA
◆電壓保護水平Up
①型號YR9000PB-40/320-1P產品電壓保護水平≤1.6kV
②型號YR9000PB-40/320-1P+1產品電壓保護水平≤1.6kV/≤1.0kV
③型號YR9000PB-40/320-2P產品電壓保護水平≤1.6kV
◆前置熔斷器或空氣開關
①型號YR9000PB-40/320-1P產品前置熔斷器或空氣開關為25-40A
②型號YR9000PB-40/320-1P+1產品前置熔斷器或空氣開關為25-40A/25-40A
③型號YR9000PB-40/320-2P產品前置熔斷器或空氣開關為25-40A
◆直流電源SPD響應時間tA
①型號YR9000PB-40/320-1P產品直流電源SPD響應時間為25ns
②型號YR9000PB-40/320-1P+1產品直流電源SPD響應時間為25ns/100ns
③型號YR9000PB-40/320-2P產品直流電源SPD響應時間為25ns
◆使用環境溫度:-40℃~80℃
◆外殼防護等級:IP20
◆外殼材料/阻燃等級(UL94):尼龍PA66/V0
◆測試標準符合:GB18802.21-2004
◆直流電源SPD防雷性能測試:上海市防雷中心防雷產品測試中心
◆工作狀態指示:透明窗綠色為正常,透明窗紅色為失效
◆浪涌模塊:支持熱插拔,維修方便
◆220V單相交流電源SPD質保期:3年
220V單相交流電源浪涌保護器外形尺寸

