
技術規格
直流電源浪涌保護器型號:①直流24VDC浪涌保護器型號為YR9000PB-24-P;②直流48VDC浪涌保護器型號為YR9000PB-48-P
防護線數:2線
額定工作電壓Un(DC):YR9000PB-24-P為24V;YR9000PB-48-P為48V
最大工作電壓Uc(DC): YR9000PB-24-P為36V;YR9000PB-48-P為75V
直流電源SPD額定工作電流IL(DC):5A
直流電源SPD額定放電電流In(8/20μs):5kA
直流電源SPD最大放電電流Imax(8/20μs):10kA
限制電壓Up(8/20μs):YR9000PB-24-P為400V;YR9000PB-48-P為600V
響應時間tA:25ns
使用環境溫度:-40℃~80℃
直流電源SPD外殼防護等級:IP20
外殼材料/阻燃等級(UL94):ABS阻燃
測試標準符合:GB/T18802.21-2014
防雷性能測試:上海市防雷中心防雷產品測試中心
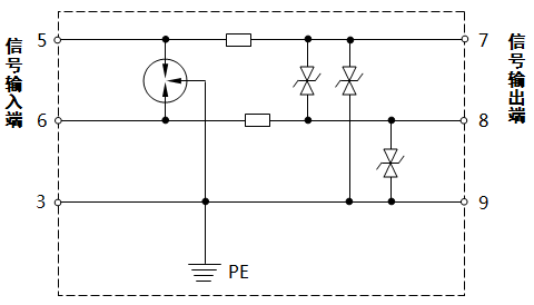
24V和48V直流電源浪涌保護器原理圖

24V和48V直流電源SPD典型應用與接線

24V和48V直流電源浪涌保護器外形尺寸


