三相交流電源電涌保護器分類
三相交流電源電涌保護器有三種,適用于IT、TN-C電源系統的電源電涌保護器配置入下:
1、TN系統分兩種情況:
①TN-C-S系統中總進線配電箱處裝設3P三相交流電源SPD(推薦型號為YR9000PB-40/320-3P),N線上不必裝設,下級配電箱處需裝設4P三相交流電源SPD(推薦型號為YR9000PB-40/320-4P);
②TN-S系統,從總配電箱開始就要裝設4P三相交流電源SPD(推薦型號為YR9000PB-40/320-4P)。
2、TT系統的總配電箱進線處需按照以下情況裝設電源SPD:
①RCD裝設在SPD的電源側則裝設4P三相交流電源SPD(推薦型號為YR9000PB-40/320-4P);
②RCD裝設在SPD的負荷側,則采用3+1的連線方式裝設3P+PE三相交流電源SPD(推薦型號為YR9000PB-40/320-3P+1),再經一放電間隙接于PE線上。
3、IT系統沒有配出中性線的情況下,需裝設3P三相交流電源SPD(推薦型號為YR9000PB-40/320-3P)。

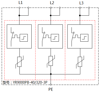
①3P三相交流電源電涌保護器
◆型號:YR9000PB-40/320-3P
◆YR9000PB-40/320-3P工作原理

◆YR9000PB-40/320-3P交流電源電涌保護器接線

②3P+PE三相交流電源電涌保護器
◆型號:YR9000PB-40/320-3P+1
◆YR9000PB-40/320-3P+1工作原理

◆YR9000PB-40/320-3P+1交流電源電涌保護器接線

③4P三相交流電源電涌保護器
◆YR9000PB-40/320-4P工作原理

◆YR9000PB-40/320-4P三相交流電源電涌保護器接線

三相交流電源SPD技術參數
380V三單相交流電源SPD型號 YR9000PB-40/320-3P YR9000PB-40/320-3P+1 YR9000PB-40/320-4P
適用電源系統 IT、TN-C TT、TN-S、TN-C-S TN-S、TN-C-S
防雷類別 MOV MOV/GDT MOV
額定工作電壓Un(DC) 220V 220V/220V 220V
最大工作電壓Uc(DC) 320V 320V/255V 320V
額定放電電流In(8/20μs) 20kA 20kA/20kA 20kA
最大放電電流Imax(8/20μs) 40kA 40kA/40kA 40kA
電壓保護水平Up ≤1.6kV ≤1.6kV/≤1.0kV ≤1.6kV
前置熔斷器或空氣開關 25-40A 25-40A/25-40A 25-40A
直流電源SPD響應時間tA 25ns 25ns/100ns 25ns
使用環境溫度:-40℃~80℃
外殼防護等級:IP20
外殼材料/阻燃等級(UL94):尼龍PA66/V0
測試標準符合:GB18802.21-2004
交流電源電涌保護器防雷性能測試:上海市防雷中心防雷產品測試中心

工作狀態指示:透明窗綠色為正常,透明窗紅色為失效
浪涌模塊:支持熱插拔,維修方便
380V三相交流電源電涌保護器質保期:3年
