雙法蘭差壓變送器 YR-ER101

2019/7/1 0:51:47 人評論 次瀏覽 分類:單晶硅變送器  儀表地址:http://www.gzmengda.com/product/793.html

單晶硅遠傳差壓變送器(雙法蘭液位變送器)的膜盒是用于防止管道內介質直接進入差壓變送器的壓力傳感器組件中,它與變送器之間采用硅油等液體傳遞壓力。
 
YR-ER101用于測量液體、氣體或蒸汽的液位、密度、壓力以及流量,然后將其轉變為4-20mA+HART電流信號輸出。YR-ER101也可與HART手持終端或HART Modem相互通信,通過它們進行參數設定、過程監控等。YR-ER101的測量范圍(未遷移時)為0-1kPa2MPa,遠傳法蘭的額定壓力分別為:1.6/4MPa、6.4MPa、10MPa、150psi、300psi或600psi。

雙法蘭液位變送器YR-ER101

雙法蘭液位變送器工作原理與結構
單晶硅遠傳差壓變送器(雙法蘭液位變送器)結構上由單晶硅差壓變送器YR-ER101和經焊接安裝的帶毛細管遠傳法蘭組成。其工作原理與YR-ER101系列差壓變送器相同(參見YR-ER101系列差壓變送器技術規格書),只是壓力傳遞路徑略有不同:作用在遠傳法蘭側的壓力,首先經遠傳法蘭上的膜片和填充液,再經毛細管,最后到達測量傳感器相應的正負側。

單晶硅遠傳差壓變送器(雙法蘭液位變送器)輸入

◆測量參數 :差壓和液位
測量范圍:下限值:-100%URL(連續可調);上限值:+100%URL(連續可調)
量程
表1   量程代碼與量程范圍關系對照表
單晶硅遠傳差壓變送器量程

表2   遠傳法蘭與最小量程關系對照表

單晶硅遠傳差壓變送器遠傳法蘭與最小量程關系對照表

單晶硅遠傳差壓變送器(雙法蘭液位變送器)的最小量程為表1和表2中最小量程的較大值。調節的量程不得小于最小量程。雙法蘭差壓變送器的最大量程應為變送器本體最大量程與液位法蘭額定壓力兩者的最小值。

單晶硅遠傳差壓變送器(雙法蘭液位變送器)輸出

◆輸出信號:二線制,4-20mA+HART輸出,數字通訊,可選擇線性或平方根輸出
信號極限:Imin=3.9mA,Imax=20.5mA

報警電流:低報模式:3.7mA;高報模式:21mA;不報模式:保持故障前的有效電流值;報警電流標準設置:高報模式
響應時間:放大器部件阻尼常數為0.1s;傳感器時間常數為0.1-1.6s,取決于量程及量程比。附加的可調時間常數為:0.1-60s。對非線性輸出(如平方根)的影響取決于該功能,并可據此計算

單晶硅遠傳差壓變送器(雙法蘭液位變送器)安裝條件

1、單晶硅雙法蘭差壓變送器(雙法蘭液位變送器)本體可直接固定于任何位置。最佳狀態是使用過程法蘭軸處于垂直狀態,位置偏差將產生可校正的零位偏移。電子表殼內最大可旋轉360度,定位螺釘可將其固定在任何位置。
2、遠傳法蘭與符合ANSI/DIN標準的配套法蘭相連接,該配套法蘭應配有軟性墊片和安裝固定螺栓、螺母(用戶可選配安裝螺栓、螺母)。
3、對于單晶硅雙法蘭差壓變送器(雙法蘭液位變送器),毛細管部件和遠傳法蘭應僅可能安裝在相同的環境溫度中。毛細管最小彎曲半徑為75mm、嚴禁纏繞??!

單晶硅遠傳差壓變送器(雙法蘭液位變送器)環境條件

◆環境溫度:最低:取決于填充液;最高:85℃;帶液晶顯示、氟橡膠密封圈時-20~+65℃
儲存溫度/運輸溫度:最低:取決于填充液;最高:85℃
相對濕度 :0-100%
抗沖擊:加速度:50g;持續時間:11ms
◆抗震動:2g~500Hz
電磁兼容性(EMC)
單晶硅遠傳差壓變送器電磁兼容性

單晶硅遠傳差壓變送器(雙法蘭液位變送器)
◆介質溫度:-30~+400℃
表3  填充液、工作溫度和最小工作靜壓關系表
遠傳差壓變送器填充液、工作溫度和最小工作靜壓關系表
注:超出以上工作溫度和靜壓關系范圍的應特別指出,可以通過昌暉儀表特殊設計來滿足要求。

單晶硅遠傳差壓變送器(雙法蘭液位變送器)本體壓力極限
ANSI標準:150psi-600psi
DIN標準:PN1.6MPa-PN10MPa
單向過載極限:低壓側為雙法蘭差壓變送器額定壓力,高壓側為遠傳法蘭額定壓力,可能出現可修整的零點漂移
重量:單邊遠傳為DN50/2英寸,約7-10kg;DN80/3英寸,約8-11kg;DN4英寸約為9-12kg;雙邊遠傳為DN50/2英寸,約10-16.5kg;DN80/3英寸,約12-18kg;DN4英寸約為14-21kg
防爆性能:NEPSI隔爆許可:ExdⅡCT6;NEPSI本安許可:ExiaⅡCT4;允許使用溫度為-40~+65℃

雙法蘭液位變送器電源及負載條件
電源及負載條件:電源電壓為DC24V,R≤(Us-12)/Imax kΩ,其中Imax=23mA、最大電源電壓:42VDC、最小電源電壓:12VDC,15VDC(背光液晶顯示),數字通訊負載范圍:250-600Ω
電氣連接:M20×1.5電纜密封扣,接線端子適用于0.5-2.5mm2的導線
材質
①測量膜盒:不銹鋼316L
②膜片:不銹鋼316L、哈氏合金C、鉭
③雙法蘭差壓變送器過程法蘭:不銹鋼304
④填充液:硅油、高溫硅油、超高溫硅油、植物油
⑤密封圈:丁晴橡膠(NBR)、氟橡膠(FKM)、聚四氟乙烯(PTFE)
⑤雙法蘭液位變送器外殼:鋁合金材質、外表噴涂環氧樹脂
⑥外殼密封圈:丁晴橡膠(NBR)
⑦銘牌:不銹鋼304
⑧外殼防護等級:IP67

單晶硅遠傳差壓變送器(雙法蘭液位變送器)

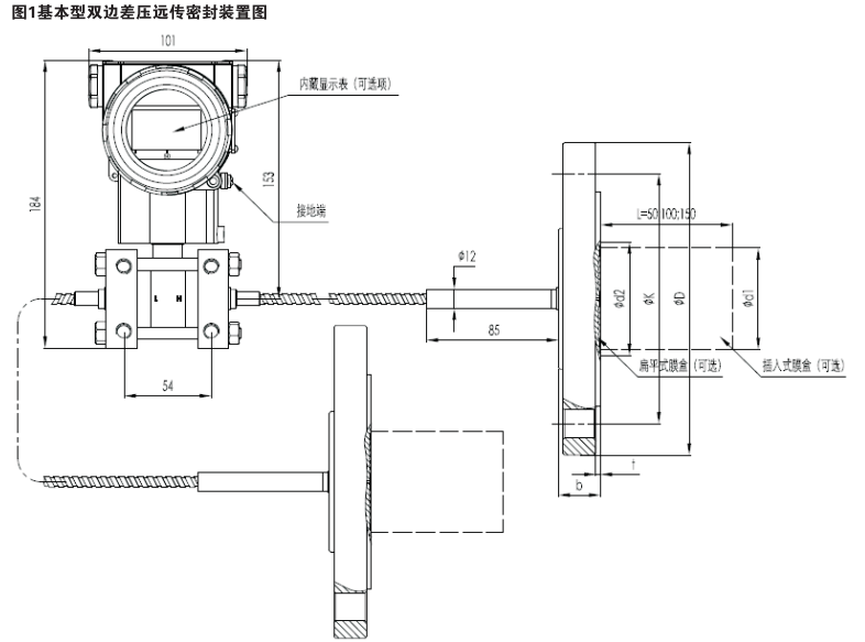
單晶硅遠傳差壓變送器外形尺寸


單邊型遠傳差壓變送器外形尺寸

注:
①單邊基本型差壓遠傳密封裝置可以安裝在變送器本體的高壓側,也可以安裝在變送器的低壓側;

②單邊或雙邊基本型差壓遠傳密封裝置的雙法蘭液位變送器本體安裝方式與YR-ER101系列差壓變送器相同。

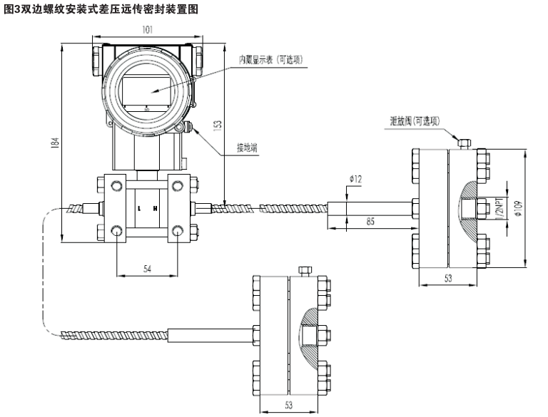
螺紋安裝式遠傳差壓密封裝置

單邊螺紋安裝式差壓遠傳密封裝置
注:
①單邊螺紋安裝式差壓遠傳密封裝置可以安裝在變送器本體的高壓側,也可以安裝在變送器的低壓側;

②單邊和雙邊螺紋安裝式差壓遠傳密封裝置的變送器本體安裝方式同YR-ER101系列差壓變送器。

遠傳法蘭結構尺寸表
:用戶可選配差壓遠傳變送器安裝螺栓和螺母。

單晶硅遠傳差壓變送器電氣接線圖

單晶硅差壓遠傳變送器電氣接線圖

單邊遠傳差壓變送器無遠傳法蘭端的過程連接說明

單邊遠傳變送器無遠傳法蘭端的的過程連接

單晶硅遠傳差壓變送器(雙法蘭液位變送器)選型表
雙法蘭液位變送器型號由兩部分組成:差壓變送器本體型號[注1] + 差壓遠傳密封裝置型號
注1:變送器本體型號選型參照YR-ER101差壓變送器型號選型,,并在YE-ER101差壓變送器選項表中第6行選“R”遠傳選項

用雙法蘭差壓變送器測量液位比較常用,儀表工必須掌握雙法蘭差壓變送器量程確定和不同現場條件下零點遷移計算的方法才能熟練應用該產品,請大家仔細閱讀《雙法蘭差壓變送器液位測量時零點遷移計算及安裝方法》這篇技術文章。

共有訪客發表了評論 網友評論

  客戶姓名:
郵箱或QQ:
驗證碼: 看不清楚?
  1. 汽輪機熱井水位測量不能選用雙法蘭差壓變送器?我們余熱發電廠汽輪機熱井液位測量儀表設計院選用了遠傳雙法蘭差壓變送器,準備購買昌暉單晶硅變送器時貴公司技術員卻說設計院這個設計不好用,什么原因?

    匿名用戶
    ?2017/10/18 23:55:03
    2017/10/19 0:06:10
    管理員回復:

    在余熱發電和汽輪機安裝維修方面我們經驗很豐富,技術員給您的建議沒有絲毫問題!汽輪機熱井水位測量選用帶遠傳高溫型磁翻板液位計測量,經濟實惠又可靠。

    汽輪機熱井在汽輪機工作時一直處于負壓狀態,測量的介質是做功后冷凝成水的過熱蒸汽,選用雙法蘭差壓變送器測汽輪機熱井水位是不行的!估計是設計人員經驗不足導致的小失誤。至于原因可閱讀技術文章《雙法蘭液位變送器測量負壓液位不好用的原因》http://www.gzmengda.com/tech/1579.html