YR-GFP系列單相有功功率表是昌暉儀表在二十年的智能數字儀表研發經驗及充分研究國內外產品、用戶需求和高低壓配電的基礎上推出的新一代高可靠性儀表。單相有功功率表基于最新MCU微處理器技術和模塊化結構,單相有功功率表具備高抗干擾性、高穩定性和高精度特點,適用于AC20V配電系統的交流有功功率參數測量。YR-GFP單相有功功率表變比可調,繼電器輸出、模擬量輸出及RS485通訊,提供4種安裝尺寸,可直接替代模擬指針單相有功功率表,更廣泛的適用于各種控制系統(SCADA、DCS等)。

單相有功功率表技術參數
1、單相有功功率表精度等級:0.2%精度

2、測量輸入:
①電壓:額定值AC0-100V、AC0-500V;過負荷:持續/1.2倍,瞬時/電壓2倍(10秒);功耗<1VA;阻抗<300kΩ
②電流:額定值AC0-1A、AC0-5A; 過負荷:持續/1.2倍,瞬時/電流10倍(5秒);功耗<0.4VA;阻抗<20MΩ
3、頻率:50-60Hz±10%
4、電源:AC/DC80-270V
5、功耗:<5VA
6、單相有功功率表輸出:
①數字量(附加功能):RS485接口,Modbus-RTU協議
②開關量(附加功能):2路開關量報警輸出,干節點繼電器
③模擬量(附加功能):1路4-20mA或0-20mA模擬量輸出
7、工作條件:環境溫度:-10~50℃,濕度≤93%,無腐蝕氣體場所,海拔≤2500米
8、絕緣電阻:≥100MΩ
9、結構:儀表外殼為ABS工程塑料;亞克力有機玻璃面板;按鍵數量4個,硅膠按鍵
10、顯示方式:1排5位數碼管顯示
11、外形:
①外形尺寸:80×80×115mm(高×寬×深)/開孔尺寸:76×76mm(高×寬)
②外形尺寸:96×48×97mm(高×寬×深)/開孔尺寸:92×45mm(高×寬)
③外形尺寸:96×96×97mm(高×寬×深)/開孔尺寸:92×92mm(高×寬)
④外形尺寸:160×80×142mm(高×寬×深)/開孔尺寸:152×76mm(高×寬)

單相有功功率表選型
YR-GF ①-②③④⑤⑥⑦⑧-⑨⑩-?-?
①功能代碼
[P]:有功功率測量
②外形尺寸
[3]:外形尺寸80×80×115mm(高×寬×深)/開孔尺寸76×76mm(高×寬)
[5]:外形尺寸96×48×97mm(高×寬×深)/開孔尺寸92×45mm(高×寬)
[9]:外形尺寸96×96×97mm(高×寬×深)/開孔尺寸92×92mm(高×寬)
[B]:外形尺寸160×80×142mm(高×寬×深)/開孔尺寸152×76mm(高×寬)
③產品設計序號
[S]:多功能儀表設計序號
④:參數顯示個數
[1]:1個參數顯示
⑤電網類型
[2]:單相
⑥通訊接口(160×80mm儀表通訊和變送輸出不能同時存在;96×96mm、96×48mm和80×80mm儀表通訊和變送輸出可以復選)
[N]:無通訊
[C]:RS485通訊
⑦變送輸出(160×80mm儀表通訊和變送輸出不能同時存在;96×96mm、96×48mm和80×80mm儀表通訊和變送輸出可以復選)
[N]:無變送輸出
[1M]:1路4-20mA變送輸出(RL≤500Ω)
[2M]:1路0-10mA變送輸出(RL≤1000Ω)
[3M]:1路0-20mA變送輸出(RL≤500Ω)
[1V]:1路1-5V變送輸出(RL≥250kΩ)
[2V]:1路0-5V變送輸出(RL≥250kΩ)
[1X]:1路其他(用戶指定輸出)
⑧累積脈沖輸出
[N]:無累積脈沖輸出
[P1]:1路累積脈沖輸出(適用于電能累積)
⑨電壓輸入信號類型
[1]:0-100VAC
[2]:0-500VAC
⑩電流輸入信號類型
[1]:AC0-1A
[2]:AC0-5A
?報警
[N]:無報警
[2]:2限報警
?儀表供電電源
[W]:DC20-29V
[T]:DC/AC100-240V
備注:
1、規格尺寸為160×80mm儀表,模擬量輸出、通訊輸出在同組接線端子上,只能選擇其中一種功能;規格尺寸為96×96m、96×48m儀表,模擬量輸出在同組接線端子上,只能選擇其中一種功能。
2、電流變送輸出與電壓變送輸出之間是不可切換的,需通過更改硬件完成,訂貨時請注明清楚。
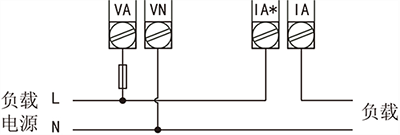
YR-GFP單相有功功率表接線圖
1、外形規格為160×80mm儀表接線圖

2、外形規格為96×96mm和96×48mm儀表接線圖

3、外形規格為80×80mm儀表接線圖

單相有功功率表各輸入方式接線說明
①單相兩線系統,采用無PT,無CT方式的接線圖

②單相兩線系統,采用1PT,1CT方式的接線圖

