三相電流表用于高低壓系統三相交流電流參數測量,電流表基于MCU微處理器技術和模塊化結構,三相電流表具備高抗干擾性、高穩定性和高精度等特點。三相電流表支持繼電器輸出、RS485通訊。數顯三相電流表有4種安裝尺寸,更廣泛的適用于各種控制系統(SCADA、DCS等)。

三相電流表技術參數
三相電流表相當于將三臺單相電流表集成在一臺儀表內,同時測量顯示Ia、Ib和Ic的電流值
電流測量范圍:0.01-5A/AC,5A以上由電流互感器轉換為0-5A或0-1A電流輸入
輸入阻抗:<0.1Ω
測量誤差:±0.2%FS
分辨力:0.001A
過載:持續120%;瞬時2倍/30s
模擬量輸出:4-20mA、0-20mA、0-10mA、1-5V、0-5V
通訊輸出:RS485,MODBU RTU
報警輸出:繼電器控制輸出(觸點容量:AC220V/2A,DC24V/2A)
使用環境:環境溫度0-50℃;相對濕度≤85%RH;避免腐蝕性氣體
工作電源AC/DC100-240V,50/60Hz;DC20-29V(開關電源)
功耗:≤6W
結構:標準卡入式
四種外形尺寸:160×80×142mm、96×96×85mm、80×80×115mm、120×120×115mm

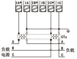
交流三相電流表接線圖




儀表輸入方式接線說明
1、三相三線系統,采用無CT方式的接線圖

2、三相四線制系統,采用無CT方式的接線圖

3、三相三線系統,采用2CT方式的接線圖

4、三相四線制系統,采用3CT方式的接線圖

注意事項
a、建議用戶在外接CT時,在三相電流表和CT之間采用接線端子排連接,以方便儀表的拆卸。
b、當電流信號以CT方式接入三相電流表時,請注意CT同名端。
c、為保證測量數據的準確度,必須正確接入電流測試信號。當被測試電流小于三相電流表電流量程,可以直接接入;否則,必須經電流互感器CT接入。
d、接入互感器的精度能夠影響三相電流表測試數據的準確度。互感器次級輸出應連接較粗、較短的低阻抗導線,減少干擾影響?;ジ衅骺赡墚a生信號角差的偏移,對測試數據的準確度有影響。
三相電流表選型表
YR-GF①-②③④⑤-⑥⑦-⑧-⑨
①功能代碼
[I]:多功能電流測量儀表
②外形尺寸
[2]:外形尺寸:120×120×115mm(高×寬×深)/開孔尺寸:105×105mm(高×寬)
[3]:外形尺寸:80×80×115mm(高×寬×深)/開孔尺寸:76×76mm(高×寬)
[9]:外形尺寸:96×96×85mm(高×寬×深)/開孔尺寸:92×92mm(高×寬)
[B]:外形尺寸:160×80×142mm(高×寬×深)/開孔尺寸:152×76mm(高×寬)
③產品設計序號
[K]:功能增強型(可以增加附加功能)
④:參數顯示個數
[3]:3個參數顯示
[3Y]:液晶屏3個參數顯示
⑤擴展功能(儀表通訊和變送輸出可同時存在)
[N]:無擴展功能
[C]:RS485通訊
[1M]:120×120mm外形為3路4-20mA變送輸出(RL≤500Ω);其他外形為1路4-20mA變送輸出
[2M]:120×120mm外形為3路0-10mA變送輸出(RL≤1000Ω);其他外形為1路0-10mA變送輸出
[3M]:120×120mm外形為3路0-20mA變送輸出(RL≤500Ω);其他外形為1路0-20mA變送輸出
[1V]:120×120mm外形為3路1-5V變送輸出(RL≥250kΩ);其他外形為1路1-5V變送輸出
[2V]:120×120mm外形為3路0-5V變送輸出(RL≥250kΩ);其他外形為1路0-5V變送輸出
[1X]:120×120mm外形為3路其他(用戶指定輸出);其他外形為1路其他(用戶指定輸出)
⑥電壓輸入信號類型
[N]:無電壓輸入
⑦電流輸入信號類型
[1]:0-1A/AC電流輸入
[2]:0-5A/AC電流輸入
⑧報警
[N]:無報警
[2]:2限報警
⑨儀表供電電源
[W]:DC20-29V
[T]:DC/AC100-240V
選型舉例
三相電流表什么牌子好?
三相電流表在控制柜上不屬于價格昂貴的設備,選用三相電流表時需要關注產品可靠性、穩定性和精度,不能單純糾結三相電流表價格。
