電能質量分析儀

2022/5/25 3:47:18 人評論 次瀏覽 分類:電力儀表  儀表地址:http://www.gzmengda.com/product/3629.html

昌暉YR-GFER系列電能質量分析儀采用新進的集成電路及數字采樣技術,對三相電氣線路中的交流電流/電壓、有功功率、無功功率、視在功率、功率因數、工頻周波、諧波、有功電能、無功電能、四象限電能、波峰系數及不平衡度等進行實時測量顯示與在線分析。分析儀采用3.5英寸320×240點陣TFT高亮度彩色圖形液晶顯示,LED背光,畫面清晰、視角寬。本機具有模擬量輸出、通訊輸出及累積脈沖輸出功能,支持RS232/485通訊接口,以太網接口,微型打印機接口和USB接口,Micro SD卡,支持干接點數字信號輸入,功能強大,性價比高。產品廣泛應用于分布式電力監控系統、變電站綜合自動化系統、無人值守變電站、低壓智能配電系統、智能型開關柜/配電盤、智能型箱變及樓宇自動化系統的數據采集。
 

 電能質量分析記錄儀
 
電能質量分析儀技術參數

1、電能質量分析儀測量參數
◆電壓:測量范圍為0.0-500.0V/AC;測量誤差為±0.2%F.S;分辨力為0.1V
◆電流:測量范圍為0.01-5A/AC;測量誤差為±0.2%F.S;分辨力為0.001A
◆有功功率:測量范圍為U×I×COSΦ;PF=1.0時測量誤差為±0.5%F.S;分辨力為0.1W
◆有功電能:測量范圍為99999.99MWh;PF=1.0時測量誤差為±0.5%F.S;分辨力為0.01kWh
◆無功功率:測量范圍為U×I×SINΦ;PF=0.0時測量誤差為±0.5%F.S;分辨力為0.1W
◆無功電能:測量范圍為99999.99MVarh;PF=0.0時測量誤差為±0.5%F.S;分辨力為0.01KVarh
◆視在功率:測量范圍為U×I;測量誤差為±0.5%F.S;分辨力為0.1VA
◆功率因數:測量范圍為-1.000~1.000;測量誤差為±0.05%F.S;分辨力為0.001
◆工頻周波:測量范圍為45-65Hz(50-500V);測量誤差為±0.05Hz;分辨力為0.01Hz
◆諧波:2-31次

電能質量分析儀技術參數

2、電壓輸入:輸入范圍為0.0-500.0VAC,輸入阻抗500KΩ

3、電流輸入:輸入范圍為0.01-5AAC,輸入阻抗<0.1Ω
4、模擬量輸出:4-20mA、0-20mA、0-10mA、1-5V、0-5V
5、報警輸出:繼電器控制輸出-AC220V/2A、DC24V/2A(阻性負載)
6、通訊輸出:RS485/RS232通訊接口,波特率4800-38400bps可設置,采用標準MODBUS RTU通訊協議,RS485通訊距離可達1公里;RS232通訊距離可達:15米;EtherNet通訊接口,通訊速率10M/100M自適應。
7、累積脈沖輸出:可選擇總有功電能、總無功電能、總視在電能的累積脈沖輸出,輸出為OC門
8、數據備份:支持U盤和SD卡進行數據備份與轉存,容量為4~32GB
9、接線端子:額定電流為5A,額定電壓為500V
10、使用環境:環境溫度-10~60℃;相對濕度≤85%RH;避免強腐蝕氣體
11、工作電源:AC100-240V(開關電源),50/60Hz;DC20-29V(開關電源)
12、功耗:≤8W
13、電能質量分析記錄儀帶有USB和SD卡接口,可用U盤和SD卡轉存數據;使用昌暉儀表提供的電能質量分析儀YR-EDM數據分析軟件可實現以下功能:

電能質量分析儀YR-EDM數據分析軟件

①歷史曲線瀏覽、打印功能;
②歷史數據瀏覽、打印功能;
③歷史數據的Excel輸出功能;
④數據統計功能;
⑤歷史曲線的縮放、復制功能(可粘貼于圖形編輯程序);
⑥數據列表的篩選、復制功能(可粘貼于Excel或任意文本編輯器);
⑦累積報表瀏覽、復制功能; 

14、外形尺寸:電能質量分析儀有96×96mm和120×120mm兩種外形尺寸 

電能質量分析儀

電能質量分析儀液晶顯示畫面



◆電力參數畫面

電能質量分析儀相電壓瞬時值電能質量分析儀相電壓最大值

①可切換顯示
相電壓、線電壓、電流、有功功率、無功功率、視在功率、功率因素頻率;
瞬時值、最大值、最小值、需量、最大需量、最小需量;
②符號名稱A相、B相、C相、AB相、BC相、CA相、Avr平均量、∑總量、F頻率
單位:V(伏)、A(安)、W(瓦)、Var(乏)、Hz(赫茲);
時間戳:記錄最大值、最小值的時間,顯示:年-月-日、時:分:秒;
③通過按鍵可清除最大值。
◆諧波參數畫面

電能質量分析儀諧波電流電能質量分析儀諧波電壓電能質量分析儀基波矢量圖電能質量分析儀諧波電壓波形

①顯示電壓、電流的諧波含有率并以柱形圖顯示,還可以顯示諧波瞬時值、最大值及最大值時間;
②基波矢量圖直觀的表現基波的不平衡度;
③顯示諧波波形運行狀態:運行(RUN)、停止(STOP)。

◆電網質量畫面

電能質量分析儀電壓總諧波失真電能質量分析記錄儀電網質量畫面

①可切換顯示:
電壓THD(電壓總諧波失真)、電流THD(電流總諧波失真)、電壓波峰系數、電流波峰系數、不平衡度
最大值、瞬時值
②符號名稱:A相、B相、C相、電壓(U)不平衡度、電流(I)不平衡度;
時間戳:記錄最大值的時間,顯示:年-月-日、時:分:秒;

◆費率電度畫面

電能質量分析儀本月電能電能質量分析儀歷史電能

①可切換顯示總有功電能、總無功電能、總視在電能,四象電能,本月電能、上月電能、上上月電能、歷史電能;
②可查看總費率、尖費率、峰費率、平費率、谷費率的電費和總電費;
③可查詢任意時間段的總歷史電能。

◆電量記錄畫面

電能質量分析記錄儀電量實時曲線電能質量分析記錄儀電量歷史曲線

①可切換顯示實時曲線、歷史曲線;
曲線內容可選:UA/UB/UC、Uavr、UAB/UBC/UCA、UVavr、IA/IB/IC、Iavr、TP、TQ、TS、COS、FR、ThdUa、ThdUb、ThdUc、ThdIa、ThdIb、ThdIc、KbfUa、KbfUb、KbfUc、KbfIa、KbfIb、KbfIc、UnbU、UnbI;
②可手動設置時間選擇曲線打印。

◆文件管理畫面

電能質量分析記錄儀文件管理電能質量分析記錄儀數據備份畫面

①電能質量分析記錄儀會自動將記錄的所有數據備份到本地文件中,也可以使用U盤或SD卡對內部的記錄數據進行備份和轉存;
②數據分析軟件YR-EDM可以對U盤/SD卡備份的數據進行采集轉存、分析與打印。

電能質量分析儀接線圖
◆96×96mm外形尺寸電能質量分析儀接線圖

96×96mm電能質量分析儀接線端子

96×96mm外形尺寸電能質量分析儀接線圖

◆120×120mm外形尺寸電能質量分析儀接線圖

120×120mm電能質量分析儀接線端子

120×120mm外形尺寸電能質量分析儀接線圖

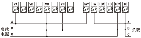
1、三相三線系統,采用無PT,無CT方式的電能質量分析儀接線圖(適用于3P3L)

采用無PT,無CT方式的電能質量分析儀接線圖

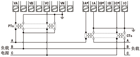
2、三相三線系統,采用2PT,2CT方式的電能質量分析儀接線圖(適用于3P3L)

采用2PT,2CT方式的電能質量分析儀接線圖

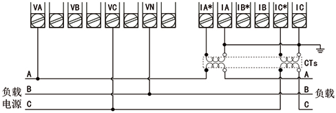
3、三相三線系統,采用無PT,2CT方式的電能質量分析儀接線圖(適用于3P3L)

采用無PT,2CT方式的電能質量分析儀接線圖


電能質量分析儀/電能質量分析記錄儀選型表


YR-GFER①②-③/④⑤/⑥/⑦-⑧-⑨/⑩/?-?
①儀表外形(高×寬×深)
[2]:120×120×115mm/開孔尺寸:105×105mm
[9]:96×96×115mm/開孔尺寸:92×92mm
②記錄功能
[省略]:無記錄功能
[R]:帶記錄功能
③通訊
[0]:無通信,默認
[2]:RS232通信
[3]:打印口
[8]:RS485通信

④變送輸出

[0]:無輸出,默認
[2]:變送輸出為4-20mA(RL≤600Ω)
[3]:變送輸出為0-10mA(RL≤1.2kΩ)
[4]:變送輸出為1-5V(RL≥250kΩ)
[5]:變送輸出為0-5V(RL≥250kΩ)
[8]:變送輸出為0-20mA(RL≤600Ω)
⑤變送輸出路數
[0]:無變送輸出時必選項,默認
[2]:2路變送輸出
[4]:4路變送輸出(儀表外形為96×96的不能選此項)
⑥報警輸出
[0]:無報警輸出,默認
[1]:2限報警輸出

⑦累積脈沖輸出
[N]:無累積脈沖輸出,默認
[P1]:1路累積脈沖輸出
[P2]:2路累積脈沖輸出

⑧外部事件輸入
[N]:無外部事件輸入,默認
[Y2]:2路干接點數字信號輸入
[Y4]:4路干接點數字信號輸入

⑨電能質量分析記錄儀USB接口
[N]:無USB接口(電能質量分析儀必選項)
[USB]:帶USB接口(電能質量分析儀不能選此項,記錄儀必選項)

⑩電能質量分析記錄儀SD接口
[N]:無SD接口(電能質量分析儀必選項)
[SD]:帶SD接口(電能質量分析儀不能選此項,記錄儀必選項)
?以太網通訊口
[N]:無以太網口,默認
[E]:帶以太網通訊
?儀表電源
[T]:AC/DC100~240V,默認
[W]:DC24V
選型舉例
YR-GFER9R-8/22/1/P2-N-USB/SD/N-T

共有訪客發表了評論 網友評論

  客戶姓名:
郵箱或QQ:
驗證碼: 看不清楚?