
YR-GFE液晶多功能電力儀表采用工業級元器件,所有與外界的連接都做了電氣隔離,內置抗雷擊保護電路和電源濾波器??煽康亩俗虞斎耄泳€端子采用國外進口插拔式端子,具備高耐壓和過流等級的特點。專業的EMC設計,對裝置輸入電源、模擬和數字電源進行實時的監測,保證了其運行的可靠性??茖W的自診斷功能,可通過顯示代碼表明產品的故障。產品廣泛應用于分布式電力監控系統、變電站綜合自動化系統、無人值守變電站、低壓智能配電系統、智能型開關柜/配電盤、智能型箱變及樓宇自動化系統的數據采集。

液晶多功能電力儀表技術參數
液晶多功能電力儀表與數碼多功能電力儀表完全相同,可參閱http://www.gzmengda.com/product/833.html

液晶多功能電力儀表顯示界面



液晶多功能電力儀表選型
YR-GF①-②③④⑤⑥-⑦⑧-⑨-⑩-?-?
①功能
[E]:智能可編程
②多功能電力儀表外形
[9]:96方形/外形尺寸:96×96×97mm;開孔尺寸:92×92mm
③功能說明
[S]:多功能電力儀表/基本功能:綜合電參量顯示
④參數顯示方式
[Y]:LCD液晶顯示(儀表外形為96×96×130mm)
⑤擴展功能(選件,復選)
[N]:無擴展功能
[C]:RS485通訊
[H]:諧波測量
[P01]:1路有功電能累積脈沖輸出
⑥變送輸出
[N]:無附加功能
[1M]:1路4-20mA變送輸出
⑦:電壓輸入信號類型
[1]:0-100VAC
[2]:0-500VAC
⑧電流輸入信號類型
[1]:AC1-5A
[2]:AC0-5A
⑨外部事件輸入
[N]:無外部事件輸入
⑩電網類型
[3]:三相三線制
[4]:三相四線制
?報警
[N]:無報警
[2]:2限報警
?儀表供電電源
[W]:DC20-29V
[T]:DC/AC100-240V
1、YR-GFE系列液晶多功能電力儀表可顯示交流電壓、交流電流、有功功率、無功功率、視在功率、有功電能、無功電能、視在電能、功率因素、工頻周波。
2、液晶多功能電力儀表模擬量輸出只能選擇一路;電流輸出與電壓輸出之間是不可切換的,需通過更改硬件完成,訂貨時請注明清楚。
3、累積脈沖輸出只能選擇一路;
4、YR-GFE系列液晶多功能電力儀表無外部事件輸入功能。
常用多功能電力儀表型號
YR-GFE-9SYCHP011M-22-N-4-2-T
多功能電力儀表接線圖
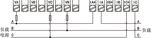
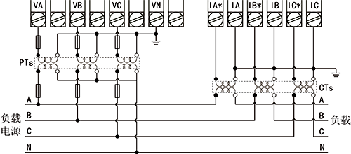
多功能電力儀表可使用在三相三線制和三相四線制配電系統中,儀表接線存在差別,請注意正確接線。
1、液晶多功能電力儀表接線圖

◆三相三線系統,多功能電力儀表接入無PT、無CT方式的接線圖

◆三相三線系統,多功能電力儀表接入2PT、2CT方式的接線圖

◆三相四線系統,多功能電力儀表接入無PT、無CT方式的接線圖

◆三相四線系統,多功能電力儀表接入3PT、3CT方式的接線圖
