• Pt100鉑熱電阻測溫異常的原因及處理

    Pt100測溫異常的原因

    2024/10/5 0:14:00 人評論 次瀏覽
  • 上海某高溫實驗爐控溫系統儀表配置應用案例

    溫控儀控溫效果好不好都可通過實測來驗證,本文分享昌暉溫控儀用于上海某高溫實驗爐控溫的案例,客觀展示溫控儀控溫實際情況

    2024/8/4 1:52:23 人評論 次瀏覽
  • 溫度儀表選型設計在SH/T3005-2016中的規定

    溫度儀表通常指雙金屬溫度計、壓力式溫度計、熱電偶、熱電阻、鎧裝熱電偶、鎧裝熱電阻、溫度變送器、一體化溫度變送器、溫度計套管、溫度開關等用于溫度測量的產品,溫度儀表選型設計在SH/T3005-2016《石油化工自動化儀表選型設計規范》中是這樣規定的

    2024/7/29 9:38:35 人評論 次瀏覽
  • 循環流化床鍋爐的熱電偶和熱電阻設計選型

    本文通過介紹循環流化床鍋爐的各個組成部件,探討鍋爐測溫熱電偶和熱電阻設計選型和影響其可靠性的因素

    2024/7/26 1:49:39 人評論 次瀏覽
  • 鎧裝熱電偶技術發展研究

    自上世紀50年代荷蘭成功研制出第一支鎧裝熱電偶以來,世界各國在其技術要求、產品研發及標準體系方面取得了飛速發展。我國自1966年開始研制和生產鎧裝熱電偶,截止目前,已有20余家單位實現批量生產。根據偶絲材質不同,可主要分成貴金屬鎧裝熱電偶和廉金屬鎧裝熱電偶,由于鎧…

    2024/7/15 19:03:34 人評論 次瀏覽
  • 雙金屬溫度計和壓力式溫度計專業詞匯中英文對照

    雙金屬溫度計和壓力式溫度計是較常見溫度儀表,昌暉儀表在本文整理了雙金屬溫度計和壓力式溫度計專業詞匯中英文對照,方便大家在閱讀英文技術資料時準確翻譯這些專業詞匯

    2024/6/11 0:20:32 人評論 次瀏覽
  • 溫度變送器和溫度計套管專業詞匯中英文對照

    通常溫度變送器由(圓卡)溫度變送和導軌式溫度變送器兩種,溫度變送器加上溫度計套管和傳感器則構成一體化溫度變送器。昌暉儀表在本文整理了溫度變送器和溫度計套管專業詞匯中英文對照,方便大家在閱讀英文技術資料時準確翻譯這些專業詞匯

    2024/6/6 16:51:07 人評論 次瀏覽
  • Exertherm非接觸式測溫在電力溫度監測中的應用

    近日,伊頓電氣宣布完成對全球熱監測巨頭Exertherm的收購。Exertherm總部位于英國,其業務范圍迅速擴大到全球各個角落。專注于開發尖端的連續熱監測 (CTM) 技術,該技術重新定義了電氣維護領域。Exertherm是全球排名第一的電氣設施247熱狀態監測供應商,全球所有主要OEM都成功…

    2024/6/2 16:26:42 人評論 次瀏覽
  • 熱電偶和熱電阻專業詞匯中英文對照

    熱電偶和熱電阻是工業現場常見溫度傳感器,昌暉儀分享的熱電偶和熱電阻相關專業詞匯中英文對照可方便大家準確理解英文溫度傳感器技術文檔內容

    2024/6/1 2:20:56 人評論 次瀏覽
  • 熱套管安裝時需要考慮幾個事項

    昌暉儀表在本文介紹如何通過正確的熱套管安裝確保溫度測量的準確性和可靠性。在溫度測量儀表選購完成之后,熱套管的安裝、傳感器的安裝、變送器的安裝和系統接地是現場安裝需要考慮的四個主要事項,避免不恰當的安裝可能會引入誤差、噪聲和損壞,導致測量精度和控制回路性能較…

    2024/5/27 10:00:07 人評論 次瀏覽
  • 溫度計套管固有頻率、渦流脫落頻率和承受壓力的計算方法

    根據ASME PTC 19.3 TW-2016振動頻率及應力符合性計算,判別溫度計套管合格與否的關鍵參數有:固有頻率;渦流脫落頻率;頻比;比對系數;允許外部壓力;尖端允許壓力。在工藝工況穩定的前提下,流體引起的振動、套管承受壓力大小是對溫度計套管影響最大的兩大因素。下面介紹溫度…

    2023/12/20 18:08:58 人評論 次瀏覽
  • 選擇紅外測溫儀應注意的六個技術要點

    紅外測溫儀具有響應時間快、非接觸測量、使用方便、安全等優點。但要正確選擇好紅外測溫儀,才能使以上優點發揮作用。在選擇紅外測溫儀時應注意本文分享的幾個技術要點

    2023/12/20 16:17:59 人評論 次瀏覽
  • 什么是熱電堆?

    熱電堆是由多個熱電偶串聯而成的,每個熱電偶都會輸出熱電勢,并且這些熱電勢會互相疊加。因此,熱電堆可以用于測量微小的溫差或者求出平均溫度。其結構是將輻射接收面分成若干塊,并且每塊接一個熱電偶,在將它們串聯起來。這樣,熱電偶就構成了一個熱電堆

    2023/5/31 11:12:15 人評論 次瀏覽
  • 不滿足強度計算和和應力分析要求的溫度計套管改進措施

    在考慮溫度計套管改進措施時,介質的密度、黏度、流速是工藝參數要求,是固定不變的常數,只能從溫度計套管的材料和尺寸上著手進行調整,昌暉儀表分享五種方法供大家參考

    2023/5/24 0:15:12 人評論 次瀏覽
  • API 551-2016對溫度計套管插入深度規定的新變化

    API 551-2016過程測量標準中規定溫度計套管插入深度的選擇以測溫元件插至被測介質溫度變化靈敏且具有代表性的區域為原則

    2023/5/23 3:33:22 人評論 次瀏覽
  • 固定式紅外測溫儀操作程序及使用注意事項

    紅外測溫的理論根據是普朗克黑體輻射定律,它定量地給出了不同溫度的黑體在各個波長的電磁輻射能量的大小。黑體的表面溫度一定,則它發射出某一波長的電磁輻射的能量就一定,通過檢測黑體發射出的電磁輻射能量的大小,就可以知道它的表面溫度。由于黑體發射的電磁輻射的波長位…

    2023/5/23 0:04:15 人評論 次瀏覽
  • 紅外測溫儀原理、外形結構及安裝圖

    紅外測溫的理論根據是普朗克黑體輻射定律,它定量地給出了不同溫度的黑體在各個波長的電磁輻射能量的大小。黑體的表面溫度一定,則 它發射出某一波長的電磁輻射的能量就一定,通 過檢測黑體發射出的電磁輻射能量的大小,就可以知道它的表面溫度。由于黑體發射的電磁輻射的波……

    2023/5/23 0:04:08 人評論 次瀏覽
  • 壓力式溫度計注意事項及相關標準

    壓力式溫度計適于測量對溫包無腐蝕作用的液體、蒸氣和氣體的溫度。使用時應注意以下事項:①壓力式溫度計比玻璃水銀溫度計的時間常數大。在測量時,要將測溫元件放在被測介質中保持一定時間,待示值穩定后再讀數。②如果被測介質有較高壓力或對溫包有腐蝕作用時,應將溫包安裝…

    2023/5/23 0:03:40 人評論 次瀏覽
  • 一文弄懂雙金屬溫度計原理、分類、優點和局限性

    雙金屬溫度計適用于中、低溫度測量(-80~500℃),具有防腐耐振、直觀易讀、安全可靠、結實耐用的優點,配合合適的溫度計套管可以應用在有振動或易受沖擊的場合。石化和化工領域絕大部分的就地溫度測量均采用雙金屬溫度計,配上電接點還可實現溫度信號的遠距離傳輸

    2023/5/23 0:03:05 人評論 次瀏覽
  • 一文弄懂熱敏電阻原理、種類、優缺點和應用場合

    PTC熱敏電陽是利用半導體材料的電阻率隨著溫度變化的性質制成的溫度儀表。熱敏電是一種以鈦酸鋇為主要成分的高技術半導體功能陶瓷材料,當溫度在居里溫度(NAT)附近時,其阻值發生階躍變化

    2023/5/9 9:12:54 人評論 次瀏覽
  • 實體熱電偶在連續滲碳爐中應用

    昌暉儀表制造有限公司對從美國、奧地利引進的電輻射加熱滲碳爐測溫用熱電偶的國產化進行研究。結果證明,滲碳爐用實體熱電偶的使用壽命和性能可以趕上或超過進口的溫度傳感器

    2023/4/28 2:33:35 人評論 次瀏覽
  • 深入介紹鎧裝熱電偶分流誤差

    鎧裝熱電偶中間部位溫度超過800℃,并有溫度梯度存在時,那么鎧裝熱電偶的示值將可能出現異常,通常將這種異?,F象稱為鎧裝熱電偶的分流誤差。它的大小并非定值,與鎧裝熱電偶的種類、直徑、使用情況、溫度分布、絕緣物的種類及狀態有關。本文將參照日本學術振興會研究報告,結…

    2023/4/2 16:54:57 人評論 次瀏覽
  • 什么是鎧裝熱電偶分流誤差?分流誤差對測溫有哪些影響

    高溫下鎧裝熱電偶產生分流誤差的現象,正在引起人們的重視,因此昌暉儀表制造有限公司在本文給大家分享分流誤差的影響因素,并采取適當對策以減少或消除分流誤差的影響

    2023/3/30 1:16:07 人評論 次瀏覽
  • 渣油加氫裝置柔性熱電偶安裝方式的改進

    本文針對渣油加氫裝置換劑檢修時發現柔性熱電偶脫落及斷裂問題進行分析,并對柔性熱電偶安裝固定方式提出改進措施

    2023/3/10 21:00:12 人評論 次瀏覽
  • 鎢錸熱電偶的特點、結構及制造工藝

    文章介紹鎢錸熱電偶的用途,簡單科普鎢錸熱電偶的特點、結構及制造工藝,為用戶選用適合的鎢錸熱電偶提供幫助

    2023/3/5 22:07:51 人評論 次瀏覽
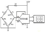
  • 如何使用精密電壓基準IC偏置熱電偶冷端

    昌暉儀表在本文分享如何利用一個帶結溫引腳的精密電壓基準(比如MAX873)偏置各種熱電偶的冷端。帶有TEMP輸出的電壓基準芯片(如下圖所示)可用于補償普通熱電偶的冷端

    2023/2/7 2:11:58 人評論 次瀏覽
  • [鎧裝熱電偶生產工藝]鎧裝熱電偶電纜彎曲斷裂原因分析

    文章針對鎧裝熱電偶電纜在彎曲加工過程中的斷裂原因分析,并提出工藝改進措施,供鎧裝熱電偶生產廠借鑒和參考

    2022/11/27 21:47:06 人評論 次瀏覽
  • 常用儀器儀表材料的高溫氧化腐蝕、高溫熔鹽腐蝕和鹽霧腐蝕

    昌暉儀表列舉了國內外已發表學術成果中的幾種典型儀器儀表材料分別在鹽霧環境、高溫氧化環境和高溫熔鹽環境等惡劣環境下的腐蝕行為,討論了不同惡劣環境下儀器儀表材料的腐蝕機理,介紹了儀器儀表材料在惡劣環境下的腐蝕現狀◆

    2022/11/8 16:11:08 人評論 次瀏覽
  • 如何正確使用體溫計測量體溫

    目前用于測量人體溫度的體溫計有玻璃體溫計、醫用電子體溫計、紅外額溫計、紅外耳溫計、紅外篩檢儀和熱像儀等,本文簡單介紹這類體溫計的使用要點及計量檢定知識

    2022/10/22 13:28:43 人評論 次瀏覽
  • 能否用銅導線替代補償導線

    不能用銅導線來代替補償導線,否則將會產生較大測量誤差!用銅導線來連接熱電偶和顯示儀表,這樣做并沒有把熱電偶的參比端得到延長,參比端仍然在熱電偶的接線盒處

    2022/10/10 20:11:59 人評論 次瀏覽
  • 延長壓力式溫度計使用壽命的五個小訣竅

    為了保證測溫的準確性,壓力式溫度計需要定期檢定。如果壓力式溫度計的檢定周期和更換壓力式溫度計的周期是一樣的話,就可以減少一次停工損失。能夠讓壓力式溫度計在檢定周期內不出故障,除了購買到合適的壓力式溫度計之外,在日常使用過程中的正確使用和保養也是尤為重要。昌…

    2022/9/28 11:31:28 人評論 次瀏覽
  • 搞儀表應知道的鎳基合金牌號及耐蝕性

    明白鎳基合金牌號及耐蝕性是儀表工在選擇熱電偶保護管時需要清楚的專業知識,用錯鎳基合金或選錯鎳基合金會縮短儀表使用壽命,增加企業投入成本

    2022/8/31 1:09:10 人評論 次瀏覽
  • 火電廠主汽溫度自動調節系統投自動步驟及參數整定

    在上述主汽溫度自動調節系統調試過程中,所列舉的參數,僅可以作為參考。附圖中,調節效果完全有可能會再進一步提高。同時,如果協調投入自動,溫度控制會可能再上一個臺階。本文目的在于闡述作者自己的整定參數的思路。我的思路也有盲區,歡迎各位批評指正

    2022/8/22 18:02:39 人評論 次瀏覽
  • ASME PTC 19.3 TW-2016中溫度計套管強度計算及選用

    昌暉儀表生產高性能溫度傳感器保護套管。昌暉儀表在本文專業介紹ASME PTC 19.3TW-2016中溫度計套管頻率計算、強度計算及選用

    2022/5/18 0:13:11 人評論 次瀏覽
  • 拉曼分布式光纖傳感技術的研究進展和典型應用

    本文介紹近年來拉曼分布式光纖傳感技術的研究進展和典型應用,目標是讓該領域和相關領域的讀者能充分了解這一重要技術,并提供了一個可行的研究進程路線圖。文章內容從分布式光纖傳感技術的重要性、拉曼分布式光纖傳感技術特點與應用、高測溫精度拉曼分布式光纖傳感技術和高空…

    2022/5/13 20:24:47 人評論 次瀏覽
  • 常用溫度傳感器及其接口電路介紹

    溫度是實際應用中經常需要測試的參數,從鋼鐵制造到半導體生產,很多工藝都要依靠溫度來實現,溫度傳感器是應用系統與現實世界之間的橋梁。本文對不同的溫度傳感器進行簡要概述,并介紹與電路系統之間的接口

    2022/4/21 15:37:30 人評論 次瀏覽
  • 硫酸測溫的溫度傳感器該選用哪種不銹鋼

    高溫中等濃度硫酸的腐蝕性極為強烈,迄今為止,國內外尚無令人滿意的可變形鋼種。本文聊聊硫酸測溫的溫度傳感器該選用哪種不銹鋼才耐腐蝕

    2022/4/14 0:01:50 人評論 次瀏覽
  • 溫度計套管的錐形桿尖端厚度至少為多少

    根據ASME PTC 19.3 TW-2016規定,尺寸限值范圍內的溫度計套管的錐形桿尖端厚度(t)至少為3.0mm(4.1章)

    2022/3/17 17:58:51 人評論 次瀏覽
  • 淺析火電廠中間倉儲鍋爐主蒸汽溫度控制的若干問題

    火電廠鍋爐主蒸汽溫度控制通常采用串級調節、導前微粉調節或帶有超前信號微分功能的串級調節,本文深度分析鍋爐主蒸汽溫度控制干擾因素并提出解決方案,幫助大家改善火電廠中間倉儲鍋爐主蒸汽溫度控制效果

    2022/3/8 2:40:46 人評論 次瀏覽
  • 新型多點熱電偶傳感器iTHERM ProfileSens TS901誕生

    一種新型的、堅固的多點熱電偶探頭設計,通過將熱電偶套管和熱電偶傳感器集成在單個探頭中(可以節省空間)來解決這些問題,在解決故障漏洞的同時提供更高效的催化反應。專利技術幫助自動化系統,提供更可靠、精確的過程控制,有助于提高安全性、盈利能力和正常運行時間

    2022/2/12 13:14:55 人評論 次瀏覽
  • 熱電偶補償導線截面積與最大敷設長度之間的關系

    除B分度號外的其他分度號熱電偶接線時必須使用補償導線,儀表工選用熱電偶補償導線時要結合回路電阻和敷設長度要求綜合考慮,昌暉儀表在本文分享熱電偶補償導線截面積與最大敷設長度之間的關系,方便大家正確選用熱電偶補償導線

    2022/1/29 2:56:26 人評論 次瀏覽
  • 調功器在功率控制和能源管理中的應用

    文章介紹調功器技術特點以及在工業爐電加熱、熱處理行業的功率控制和能源管理中的應用

    2022/1/13 14:51:28 人評論 次瀏覽
  • 極寬溫區高精度熒光溫度計設計新策略

    化學、物理及生物等眾多領域都需要精確控制和測量特定大小空間內的溫度。面對測溫對象的不斷變小(光電子器件的小型化和高度集成化)和新的應用領域要求(當代納米醫療、精細化工等),溫度計需要運用遠程溫度探測原理和技術。基于鑭系熒光離子的熒光溫度探測是一門新興的技術。這…

    2021/12/26 0:14:25 人評論 次瀏覽
  • 多點鎧裝熱電偶在煉化裝置溫度測量中的應用

    隨著煉化加氫反應器床層溫度的精確測量和控制的更高需求,本文對比分析幾種熱電偶在加氫反應器床層溫度測量的應用,著重介紹了多點鎧裝熱電偶的優點、結構、分類及工程應用需要注意的方面

    2021/12/18 14:56:36 人評論 次瀏覽
  • Pt100錯誤接線與顯示控制儀電阻測量回路分析

    Pt100接線錯誤將導致顯示控制儀顯示值虛高,本文對Pt100接線方式及顯示控制儀電阻測量回路進行分析,提出Pt100與顯示控制儀正確的接線方式

    2021/11/10 17:53:08 人評論 次瀏覽
  • Pt100熱電熱阻測量溫度不跟隨溫度趨勢變化

    儀表工經常會碰到這種情況,Pt100熱電阻元件故障和測量回路接觸不良是導致這種故障的主要原因,本文分享一個儀表工處理Pt100熱電熱阻測量溫度不跟隨溫度趨勢變化故障的實例

    2021/11/10 17:51:27 人評論 次瀏覽
  • 昌暉儀表:Pt100檢定點(R0和R100)選擇與檢定方法

    昌暉儀表在本文介紹Pt100鉑電阻檢定點選擇方法、R0和R100檢定與合格判斷依據,是各行業驗收Pt100是否合格的技術標準。

    2021/11/10 17:44:05 人評論 次瀏覽
  • 如何正確計算溫度傳感器插入深度

    分析溫度傳感器插入深度對測溫的影響,昌暉儀表與使用者分享在不同工況中如何正確計算溫度傳感器插入深度的方法和經驗

    2021/11/9 12:56:20 人評論 次瀏覽
  • 熱電偶選型需要提供哪些參數?

    熱電偶選型似乎很簡單,有網友說知道熱電偶分度號、長度和固定方式就可以了,真是這樣嗎?昌暉儀表在本文和你深度聊聊熱電偶選型背后那些你不知道的知識。熱電偶選型需要了解以下這些信息,這樣才能保障您所訂購熱電偶高性價比、性能可靠和長使用壽命

    2021/10/28 16:57:13 人評論 次瀏覽
  • 熱電偶測溫原理

    熱電偶測溫原理:將兩種不同材料的導體或半導體A和B焊接起來,構成一個閉合回路。當導體A和B的兩個執著點1和2之間存在溫差時,兩者之間便產生電動勢,因而在回路中形成一個大小的電流,這種現象稱為熱電效應。熱電偶就是利用這一效應來工作的

    2021/9/2 15:41:47 人評論 次瀏覽

相關儀表推薦

 友情鏈接